AbbatAbbat писал(а):Замок зажигание или ..?
Разъёмы глянул?

AbbatAbbat писал(а):Замок зажигание или ..?

Полностью с тобой согласен.D.I.M.A.R. писал(а):Тому колхознику что это лепил я бы оторвал руки, т.к. в случае замыкания возможен пожарAbbat писал(а):Откуда ж она тогда она может быть запитана?
Скорей всего это самый надежный вариант, но для этого нужно снимать торпедурустем писал(а):Иди по проводу от клавиши печки,куда-нибудь да и приведетAbbat писал(а):Где стоит капнуть в первую очередь?
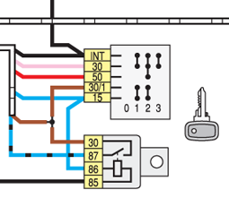
Ну там же есть постоянный +?четвёрковод писал(а):AbbatAbbat писал(а):Замок зажигание или ..?
А с чего ты взял что замок зажигания подключен вообще в обход ЧЯ?
Разъёмы глянул?

не,не надо,щиток приборов,ну и может быть бардачок с полкой сними,фонарик в руки и вперед.Abbat писал(а):но для этого нужно снимать торпеду

минус 10,ерунда.Машилу завел,печку включил и шастайAbbat писал(а): а на улице холодрыга и снег идет

В штатной проводке именно идёт через ЧЯ, в том то и дело., на замок например и его реле ш1-4, ш2-1 - минуют все предохранители...Abbat писал(а):Ну там же есть постоянный +?
Или он тоже идет через ЧЯ?
Ты не дочитал мой пост. Я оставил это в твоей цитате моего поста. Ну и как Рустем написал тоже можно действовать, не такой уж и большой там жгут проводки, чтобы не разобраться, да и полюбляет народ у нас врезки прямо в провода либо подключение к чему-то вне черного ящика.Abbat писал(а):Сегодня включил печку и начал выдергивать по по очереди все предохранители, но она так и не отключиласьгость писал(а):... Если не поможет, искать дополнительные подключения на плюсе в колодках к ЧЯ. Вот и все дела .![]()
Получается что печка подключена вообще в обход ЧЯ?
Откуда ж она тогда она может быть запитана?


четвёрководчетвёрковод писал(а):Да не надо и заводить.



Объясните мне, тугодуму, что в данном случае может быть причиной, кроме ЗЗ или его подключения?!Abbat писал(а):Нет, ничего не работает как и положено.Meart писал(а):Abbat А при среднем положении ключа (все выключено) печка работает?



если бы только был виноват ЗЗ то вытаскивание предохранителя Ф1 отключало бы печку, а тут нет, значит где то кинуто в обход Ф1Антон80 писал(а):й, кроме ЗЗ или его подключения?!
а смысл? ну выдернет он красную Ш3 все и отключитсячетвёрковод писал(а):Включил печку и дёргай в салоне из ЧЯ фишки по одной.

Подключение непосредственно от АКБ, хоть и через пред.Антон80 писал(а):Объясните мне, тугодуму, что в данном случае может быть причиной, кроме ЗЗ или его подключения?!


А сведётся там всё тогда к шести проводам.D.I.M.A.R. писал(а):а смысл?

Зачем?гость писал(а):Отключитьт все нафиг и переделать по заводской схеме слабо?![]()
Или это для флуда и от нечего делать?


А среднее это как?Антон80 писал(а):Так в среднем положении ключа не работает же!!!!!

Антон80 писал(а):Так в среднем положении ключа не работает же!!!!!
среднее такandy писал(а):А среднее это как?
Сейчас этот форум просматривают: нет зарегистрированных пользователей и 17 гостей