Еще раз о противотуманках
-
CHMZ
- Отец русского классиководства

- Сообщения: 1979
- Зарегистрирован: Ср фев 02, 2011 17:19:21
- Модель авто: 2101,2105
- Откуда: Челябинск
- Благодарил (а): 38 раз
- Поблагодарили: 52 раза
Re: Еще раз о противотуманках
fedotov.1991
Вот схема для примера
Вот схема для примера
У вас нет необходимых прав для просмотра вложений в этом сообщении.
-
Mamonik
- Начинающий классиковод

- Сообщения: 156
- Зарегистрирован: Пн фев 28, 2011 7:13:41
- Модель авто: ВАЗ 21074.2007 г.в.БК ШтатХ1.
- Тип двигателя: Инжекторный
- Откуда: Ярославль.
- Благодарил (а): 6 раз
- Поблагодарили: 12 раз
Re: Еще раз о противотуманках
Тоже долго думал -ну нехватает ближнего света а на дальнике не наездишся! Методом проб подобрал лампы в головной свет Philips VisionPlus (+50%) цена вопроса 550р в Ярославле типа.На 50% больше света. Луч света длиннее на 10-20 метров.
Увеличение дальности и четкое распределение светового потока.
Цвет: бело-желтый
Доступные цоколи: H1, H4, H7
Производство: Германия
Заглаза .Зато дополнительные фары монтировать не надо и потребление как в штатной лампе ! Такие дела .
Увеличение дальности и четкое распределение светового потока.
Цвет: бело-желтый
Доступные цоколи: H1, H4, H7
Производство: Германия
Заглаза .Зато дополнительные фары монтировать не надо и потребление как в штатной лампе ! Такие дела .
-
Barsuk
- Отец русского классиководства

- Сообщения: 2116
- Зарегистрирован: Сб янв 29, 2011 14:53:06
- Модель авто: ВАЗ 21074 инжектор, Е-2, ПТФ ТН105, БК Х1
- Тип двигателя: Инжекторный
- Откуда: Краснодарский край
- Благодарил (а): 38 раз
- Поблагодарили: 52 раза
Re: Еще раз о противотуманках
Это ты на своём опыте, действительно помогает или тебе в интернете сказали?Mamonik писал(а):На 50% больше света. Луч света длиннее на 10-20 метров.
Увеличение дальности и четкое распределение светового потока.
-
Mamonik
- Начинающий классиковод

- Сообщения: 156
- Зарегистрирован: Пн фев 28, 2011 7:13:41
- Модель авто: ВАЗ 21074.2007 г.в.БК ШтатХ1.
- Тип двигателя: Инжекторный
- Откуда: Ярославль.
- Благодарил (а): 6 раз
- Поблагодарили: 12 раз
Re: Еще раз о противотуманках
В самом деле ездил на карьеры купаться друг на ланосе приехал так мы у него одну лампу дернули я вставил слева висион а справа родная -реал свет отличается .Да я когда установил см.выше какие сразу почувствовал разницу бросается сразу опыта всего то 10 месяцев по ночам стремался по окраинам а щас усе типа -прозрел!!! Это не реклама удобно честно вот по сроку службы молчу-незнаю!
-
Barsuk
- Отец русского классиководства

- Сообщения: 2116
- Зарегистрирован: Сб янв 29, 2011 14:53:06
- Модель авто: ВАЗ 21074 инжектор, Е-2, ПТФ ТН105, БК Х1
- Тип двигателя: Инжекторный
- Откуда: Краснодарский край
- Благодарил (а): 38 раз
- Поблагодарили: 52 раза
Re: Еще раз о противотуманках
Mamonik
Ну тогда понятно. Просто я купил себе давно ещё Osram +90, так, если честно не очень - не стоят тех денег. Прочитал статейку, на предыдущей странице выкладывал ссылку, так они там на первом месте, а толку нет. Правда, твоих там нет ламп, может, действительно есть в них смысл
Ну тогда понятно. Просто я купил себе давно ещё Osram +90, так, если честно не очень - не стоят тех денег. Прочитал статейку, на предыдущей странице выкладывал ссылку, так они там на первом месте, а толку нет. Правда, твоих там нет ламп, может, действительно есть в них смысл
-
Towelie
- Стажер

- Сообщения: 13
- Зарегистрирован: Чт окт 13, 2011 7:46:28
- Модель авто: 2107, 1998 г.в. тёмно-бардового цвета...
- Тип двигателя: Карбюраторный
- Откуда: Старый Оскол(очень редко) / Москва
- Благодарил (а): 4 раза
Re: Еще раз о противотуманках
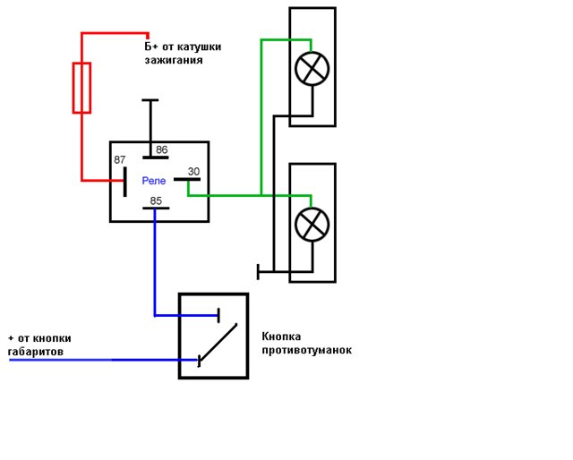
CHMZ писал(а):fedotov.1991Вот схема для примера
47f10bdc857f.jpg [ 23.53 КБ | Просмотров: 159 ]
Вроде все понятно идовольно просто. Хочется узнать 1 вещь, и попросить вторую)
1: если поставить в ПТФ лампочки 100 Вт, не будят ли плавится кнопки? (пару кнопок уже поменял, была другая схема подключения.)
2: просто помогите сделать 3 позиции 1-0фф;2- ППТФ; 3-ППТФ+ЗПТФ. (((НА основе кнопки ЗПТФ)на ее месте))
заранее спасибо)в простой электрике я еще соображаю, а вот что посложней нужна помощь специалистов))(+хочу лампочки 100 ВТ, и без замены всяких кнопок)
-
Besenok
- Гуру классиководства

- Сообщения: 997
- Зарегистрирован: Чт июл 30, 2009 17:12:53
- Модель авто: ВАЗ 21053 1996г., 1,5л. карб., 4МКПП, БСЗ, сток
- Тип двигателя: Карбюраторный
- Откуда: Октябрьский
- Благодарил (а): 14 раз
- Поблагодарили: 29 раз
Re: Еще раз о противотуманках
Towelie
ПТФ расплавишь от 100W. А ЗПТФ выключатель имеет 2 положения, как мне помнится выкл и вкл. Значит тебе надо 3-ех позиционную кнопку. По схеме "кнопка противотуманок" используется твоя (3-позиц.) с переделками для задних птф. Для начала кнопку купи и дальше ничего сложного. А пара на ПТФ +ЗПТФ, причем на передние птф нужно 2 реле городить. Кстати, где то это уже описывалось на форуме
ПТФ расплавишь от 100W. А ЗПТФ выключатель имеет 2 положения, как мне помнится выкл и вкл. Значит тебе надо 3-ех позиционную кнопку. По схеме "кнопка противотуманок" используется твоя (3-позиц.) с переделками для задних птф. Для начала кнопку купи и дальше ничего сложного. А пара на ПТФ +ЗПТФ, причем на передние птф нужно 2 реле городить. Кстати, где то это уже описывалось на форуме
-
Towelie
- Стажер

- Сообщения: 13
- Зарегистрирован: Чт окт 13, 2011 7:46:28
- Модель авто: 2107, 1998 г.в. тёмно-бардового цвета...
- Тип двигателя: Карбюраторный
- Откуда: Старый Оскол(очень редко) / Москва
- Благодарил (а): 4 раза
Re: Еще раз о противотуманках
не спорю, где то видел.Besenok писал(а):Кстати, где то это уже описывалось на форуме
просто места нет ни в торпеде, ни в бороде.
Кнопку любую 3-х позиционку ж можно?
-
дим 99
- Коренной форумчанин :)
- Сообщения: 3675
- Зарегистрирован: Ср окт 12, 2011 11:55:08
- Модель авто: 2101 82 г.р.
- Тип двигателя: Карбюраторный
- Откуда: Донбасс
- Благодарил (а): 106 раз
- Поблагодарили: 155 раз
Re: Еще раз о противотуманках
Посмотрел способ подключения. Лично я б не ставил так, напруга вся идет через провод к катушке, 100в каждая лампа это до*рена, лучше от акб или генератора. Я б советывал лишний раз не нагружать монтажный блок.
Я тоже поставил противотуманки, но я их называю фары дополнительного освещения. Брал фирмы SIRIUS ? вроде.
Если более интересно завтра скину фотки.
Я тоже поставил противотуманки, но я их называю фары дополнительного освещения. Брал фирмы SIRIUS ? вроде.
Если более интересно завтра скину фотки.
-
Besenok
- Гуру классиководства

- Сообщения: 997
- Зарегистрирован: Чт июл 30, 2009 17:12:53
- Модель авто: ВАЗ 21053 1996г., 1,5л. карб., 4МКПП, БСЗ, сток
- Тип двигателя: Карбюраторный
- Откуда: Октябрьский
- Благодарил (а): 14 раз
- Поблагодарили: 29 раз
Re: Еще раз о противотуманках
Towelie
угу, любую (например габариты-ближний от семерки), только колодку на новую кнопку с проводами сразу купи. Придется резать и пилить по новой
угу, любую (например габариты-ближний от семерки), только колодку на новую кнопку с проводами сразу купи. Придется резать и пилить по новой
-
Towelie
- Стажер

- Сообщения: 13
- Зарегистрирован: Чт окт 13, 2011 7:46:28
- Модель авто: 2107, 1998 г.в. тёмно-бардового цвета...
- Тип двигателя: Карбюраторный
- Откуда: Старый Оскол(очень редко) / Москва
- Благодарил (а): 4 раза
Re: Еще раз о противотуманках
не, нафиг этот ксенон. и так придурков с этим ксеноном хвает...особенно по ночной трассе.
Передумал ставить вместе с задними. как придумаю как подключить спрошу совета.
Передумал ставить вместе с задними. как придумаю как подключить спрошу совета.
-
Barsuk
- Отец русского классиководства

- Сообщения: 2116
- Зарегистрирован: Сб янв 29, 2011 14:53:06
- Модель авто: ВАЗ 21074 инжектор, Е-2, ПТФ ТН105, БК Х1
- Тип двигателя: Инжекторный
- Откуда: Краснодарский край
- Благодарил (а): 38 раз
- Поблагодарили: 52 раза
Re: Еще раз о противотуманках
Ну а что, у меня вот вместо кнопки ЗПТФ стоит кнопка от четвёрки от дворников, у неё первое положение фиксированное, включается ПТФ, второе как на кнопке ЗПТФ - дожимаешь и включаются ЗПТФ. Интересует?Towelie писал(а):Передумал ставить вместе с задними. как придумаю как подключить спрошу совета.
Только у меня сейчас плохой интернет, может, около среды смогу ответить или до завтрашнего утра.
-
Towelie
- Стажер

- Сообщения: 13
- Зарегистрирован: Чт окт 13, 2011 7:46:28
- Модель авто: 2107, 1998 г.в. тёмно-бардового цвета...
- Тип двигателя: Карбюраторный
- Откуда: Старый Оскол(очень редко) / Москва
- Благодарил (а): 4 раза
-
Towelie
- Стажер

- Сообщения: 13
- Зарегистрирован: Чт окт 13, 2011 7:46:28
- Модель авто: 2107, 1998 г.в. тёмно-бардового цвета...
- Тип двигателя: Карбюраторный
- Откуда: Старый Оскол(очень редко) / Москва
- Благодарил (а): 4 раза
Re: Еще раз о противотуманках
куда пропааал???Barsuk писал(а):Ну а что, у меня вот вместо кнопки ЗПТФ стоит кнопка от четвёрки от дворников, у неё первое положение фиксированное, включается ПТФ, второе как на кнопке ЗПТФ - дожимаешь и включаются ЗПТФ. Интересует?Towelie писал(а):Передумал ставить вместе с задними. как придумаю как подключить спрошу совета.
Только у меня сейчас плохой интернет, может, около среды смогу ответить или до завтрашнего утра.
-
Barsuk
- Отец русского классиководства

- Сообщения: 2116
- Зарегистрирован: Сб янв 29, 2011 14:53:06
- Модель авто: ВАЗ 21074 инжектор, Е-2, ПТФ ТН105, БК Х1
- Тип двигателя: Инжекторный
- Откуда: Краснодарский край
- Благодарил (а): 38 раз
- Поблагодарили: 52 раза
Re: Еще раз о противотуманках
Да, вроде ни куда. А что конкретно тебе трэбо?Towelie писал(а):куда пропааал???
-
Schmel10
- Гуру классиководства

- Сообщения: 910
- Зарегистрирован: Чт мар 25, 2010 11:30:47
- Модель авто: ВАЗ 210540 инж 1,6 дв.ваз21067 2008г.в Лада Гранта(стандарт)
- Тип двигателя: Инжекторный
- Откуда: Тульская область
- Благодарил (а): 99 раз
- Поблагодарили: 24 раза
Re: Еще раз о противотуманках
Подскажите что означает эта картинка на коробке с фарами
У вас нет необходимых прав для просмотра вложений в этом сообщении.
-
JET
- Прописан на semerka.info
- Сообщения: 8309
- Зарегистрирован: Чт дек 18, 2008 13:38:18
- Модель авто: BOGDAN 21104
- Тип двигателя: Инжекторный
- Откуда: СССР
- Благодарил (а): 247 раз
- Поблагодарили: 633 раза
Re: Еще раз о противотуманках
Schmel10
Световое пятно на рабочих фарах длинее чем на противотуманных и уже.
Эт сравнение световых зон рабочих фар и противотуманок.
Световое пятно на рабочих фарах длинее чем на противотуманных и уже.
Эт сравнение световых зон рабочих фар и противотуманок.
-
DJTigra
- Прописан на semerka.info
- Сообщения: 21002
- Зарегистрирован: Сб мар 12, 2011 20:46:09
- Модель авто: Dacia Sandero SD 1.4
- Тип двигателя: Инжекторный
- Откуда: Украина: Киев, Днепропетровск
- Благодарил (а): 1967 раз
- Поблагодарили: 968 раз
Re: Еще раз о противотуманках
А у меня вопросик: мне нужен доп. свет, чтобы было видно перед самым бампером все, ближний немного дальше светит (вечером, встречный слепит и не видно полосы движения). Что лучше взять - фары рабочего света или птф? И какие лучше выбрать? Бюджет есть
Рабочий - http://avtozvuk.ua/catalog/146
ПТФ - http://avtozvuk.ua/catalog/148
Рабочий - http://avtozvuk.ua/catalog/146
ПТФ - http://avtozvuk.ua/catalog/148
-
серго
- Отец русского классиководства

- Сообщения: 2278
- Зарегистрирован: Ср окт 12, 2011 16:39:50
- Модель авто: ВАЗ 21053,БСЗ,Solex 24x24,глушитель PRO.SPORT,распорка стоек,диски R14 Racing Weels,пер -1,5 зад -2,АНЦ "Пилот"
- Тип двигателя: Карбюраторный
- Откуда: Тамбовская область,мичуринск
- Благодарил (а): 222 раза
- Поблагодарили: 99 раз
Re: Еще раз о противотуманках
Кто то спрашивал про уголок на ОСВАР круглые
У вас нет необходимых прав для просмотра вложений в этом сообщении.
-
Rush
- Коренной форумчанин :)
- Сообщения: 3590
- Зарегистрирован: Ср мар 17, 2010 16:28:02
- Модель авто: 2107i,1.6,цвет кварц
- Тип двигателя: Инжекторный
- Откуда: Донецк
- Благодарил (а): 32 раза
- Поблагодарили: 131 раз
Re: Еще раз о противотуманках
DJTigra
Лучше бери птф-ки.Я даже когда с ближним еду их включаю.С ними по бокам нормально видно,а с ближним только то что впереди. В городе чаще всего езжу на противотуманках,больше вероятность не в меру резвых пешеходов заметить
Лучше бери птф-ки.Я даже когда с ближним еду их включаю.С ними по бокам нормально видно,а с ближним только то что впереди. В городе чаще всего езжу на противотуманках,больше вероятность не в меру резвых пешеходов заметить
-
DJTigra
- Прописан на semerka.info
- Сообщения: 21002
- Зарегистрирован: Сб мар 12, 2011 20:46:09
- Модель авто: Dacia Sandero SD 1.4
- Тип двигателя: Инжекторный
- Откуда: Украина: Киев, Днепропетровск
- Благодарил (а): 1967 раз
- Поблагодарили: 968 раз
Re: Еще раз о противотуманках
Rush
а какие взять из каталога? нравятся Hella micro ff, но товарисч Randall говорит, что для жигуля дорого... с крышечками нужны, желательно прямоугольные, но можно и круглые, но не малюсенькие
а какие взять из каталога? нравятся Hella micro ff, но товарисч Randall говорит, что для жигуля дорого... с крышечками нужны, желательно прямоугольные, но можно и круглые, но не малюсенькие
-
JET
- Прописан на semerka.info
- Сообщения: 8309
- Зарегистрирован: Чт дек 18, 2008 13:38:18
- Модель авто: BOGDAN 21104
- Тип двигателя: Инжекторный
- Откуда: СССР
- Благодарил (а): 247 раз
- Поблагодарили: 633 раза
Re: Еще раз о противотуманках
DJTigra
Wesem посмотри, плюс путевые лампы в них вставить.
А чо с крышечками?
Wesem посмотри, плюс путевые лампы в них вставить.
А чо с крышечками?
