Не нравится поведение стрелки вольтметра, смотрите тут.
-
андрей просто
- Пешеход

- Сообщения: 4
- Зарегистрирован: Ср сен 18, 2013 22:41:08
- Модель авто: ваз 21074
- Тип двигателя: Карбюраторный
Re: Не нравится поведение стрелки вольтметра, смотрите тут.
при включении поворотов тускло моргает а на холостых все хорошо .
-
Nata
- Классиковод

- Сообщения: 296
- Зарегистрирован: Чт авг 23, 2012 13:44:51
- Модель авто: модераторы хамы
- Тип двигателя: Дизель
- Благодарил (а): 28 раз
- Поблагодарили: 3 раза
Re: Не нравится поведение стрелки вольтметра, смотрите тут.
Всем привет, еще проблема. Еду, стрелка на середине. Вкл. ближний свет, поворотник, стрелка дергается почти на нуле. Самое интересное - если на ходу включить дальний, с нажатием кнопки пропадает на долю секунды зажигание, потом снова все работает. Ну и магнитола болезненно реагирует на включение поворотов. Запуск двигателя, лампочка - все в порядке. P.S. -в случае необходимости извлечь генератор сумею, что смотреть?
-
Ferrox
- Стажер

- Сообщения: 18
- Зарегистрирован: Вс дек 01, 2013 23:20:08
- Модель авто: ВАЗ 2107
- Тип двигателя: Карбюраторный
Re: Не нравится поведение стрелки вольтметра, смотрите тут.
Отмечусь в теме со своими вопросами.
Стоит индикатор напруги в салоне(вольтмерт цифровой)
Завожусь-13.9, в мороз 14.2
Ну стрелка то же самое показывает.
Как прогреюсь-показывает стабильно 13.6
Включаю к примеру ближний-проседает до 12, через секунду 12.5.
Вклбчу обогрев-проседает до 11.8, через секунду 12.4
Эт так должно быть, что проседает, а потом реле как то компенсиркет просадку?
Гена новый нивовский, заливался разок тосолом.
Но думаю дело не в нем.
Просто недано за рулем, не знаю, так и должно быть? Неужели 80а не хватает и все так прыгает постоянно?
Стоит индикатор напруги в салоне(вольтмерт цифровой)
Завожусь-13.9, в мороз 14.2
Ну стрелка то же самое показывает.
Как прогреюсь-показывает стабильно 13.6
Включаю к примеру ближний-проседает до 12, через секунду 12.5.
Вклбчу обогрев-проседает до 11.8, через секунду 12.4
Эт так должно быть, что проседает, а потом реле как то компенсиркет просадку?
Гена новый нивовский, заливался разок тосолом.
Но думаю дело не в нем.
Просто недано за рулем, не знаю, так и должно быть? Неужели 80а не хватает и все так прыгает постоянно?
-
четвёрковод
- Модератор

- Сообщения: 14746
- Зарегистрирован: Пт янв 01, 2010 1:32:37
- Модель авто: при.лада
- Тип двигателя: Инжекторный
- Откуда: 57
- Благодарил (а): 214 раз
- Поблагодарили: 1435 раз
Re: Не нравится поведение стрелки вольтметра, смотрите тут.
FerroxFerrox писал(а):Стоит индикатор напруги в салоне(вольтмерт цифровой)
вопрос в том пока, куда он подключен и как.
-
Classic
- Прописан на semerka.info
- Сообщения: 7953
- Зарегистрирован: Чт мар 12, 2009 7:58:08
- Модель авто: ЛАДА 21074, 2003 г.в.; ЛАДА Веста SW 2020 г.в.
- Тип двигателя: Карбюраторный
- Откуда: Воронеж
- Благодарил (а): 551 раз
- Поблагодарили: 785 раз
Re: Не нравится поведение стрелки вольтметра, смотрите тут.
Сегодня завёл машину и обратил внимание, что заряд то идёт, то нет. Стрелка то около белой зоны (цифровой вольтметр в часах показывает ~12,5 В (из потребителей- мотор печки на второй скорости), то уходит вправо- на цифровом 14 В и вентилятор крутить бодрее начинает. И вот так вот циклами. Лампа отсутствия заряда не горит. На обороты двигателя сие не реагирует. На всякий случай зачистил и подтянул клеммы на батарее. Что ещё может быть?
-
maksan163
- Мега-Гуру Классики

- Сообщения: 1012
- Зарегистрирован: Сб дек 08, 2012 6:41:12
- Модель авто: ваз 2104,Hyundai Getz
- Тип двигателя: Инжекторный
- Откуда: Самарская область
- Благодарил (а): 29 раз
- Поблагодарили: 38 раз
Re: Не нравится поведение стрелки вольтметра, смотрите тут.
Всем привет,как-то тут уже задавал вопрос.Дело в следующем,завёл машинку,прогрел и поехал,вдруг стрелка вольтметра падает в белую зону,на работе авто никак не сказывается,через минут 10 стрелка обратно возвращается в правое положение(зеленое) дум ал думал,менял мост,подшипники и таблетку в гене,не помогло,купил новый генератор,поменял новый аккум,всё отлично работает,но иногда стрелка шалит,может сам прибор(датчик-вольтметр) глючить?
-
рустем
- Модератор

- Сообщения: 11728
- Зарегистрирован: Ср фев 17, 2010 18:10:56
- Модель авто: семёрка,все остальное в моей теме
- Тип двигателя: Карбюраторный
- Откуда: город трех шурупов
- Благодарил (а): 120 раз
- Поблагодарили: 1328 раз
Re: Не нравится поведение стрелки вольтметра, смотрите тут.
Вполне,пропайка,протяжка контактов приборки
-
maksan163
- Мега-Гуру Классики

- Сообщения: 1012
- Зарегистрирован: Сб дек 08, 2012 6:41:12
- Модель авто: ваз 2104,Hyundai Getz
- Тип двигателя: Инжекторный
- Откуда: Самарская область
- Благодарил (а): 29 раз
- Поблагодарили: 38 раз
Re: Не нравится поведение стрелки вольтметра, смотрите тут.
разберу,проверю дорожки\контакты,может где и плохо контачит,заметил что на лежаках или больших ямках стрелка шалит
-
brabusss
- Начинающий классиковод

- Сообщения: 167
- Зарегистрирован: Вт ноя 19, 2013 15:58:51
- Модель авто: ваз 2107
- Тип двигателя: Карбюраторный
- Благодарил (а): 12 раз
- Поблагодарили: 2 раза
Re: Не нравится поведение стрелки вольтметра, смотрите тут.
при включение поворотников либо аварийки у всех стрелка вольметра поддергивается слегка?
2 дня назад делал гену,сменил диодный мост,не было заряда,так как оборвалась обмотка якоря,все сделал проверил,пашет норм,вкл все оборудование кроме поворотников,стрелка мертвая стоит,а вот с поворотниками дергается чуток
2 дня назад делал гену,сменил диодный мост,не было заряда,так как оборвалась обмотка якоря,все сделал проверил,пашет норм,вкл все оборудование кроме поворотников,стрелка мертвая стоит,а вот с поворотниками дергается чуток
-
Антон80
- Модератор

- Сообщения: 47899
- Зарегистрирован: Сб окт 09, 2010 15:16:45
- Модель авто: Chevrolet AVEO 2005, 1.5
- Тип двигателя: Инжекторный
- Откуда: Украина, Кременчуг
- Благодарил (а): 1501 раз
- Поблагодарили: 3737 раз
Re: Не нравится поведение стрелки вольтметра, смотрите тут.
brabusss писал(а):при включение поворотников
,maksan163 писал(а):это нормально
а
не нормальноbrabusss писал(а):аварийки
-
GonZ
- Ученик

- Сообщения: 6
- Зарегистрирован: Пт мар 14, 2014 14:15:11
- Модель авто: 2107 авто запуск
- Тип двигателя: Инжекторный
- Благодарил (а): 3 раза
Re: Не нравится поведение стрелки вольтметра, смотрите тут.
http://vk.com/video131655944_164838022
вот такая ерунда у меня, у меня 21214 двигатель установлен с завода, 1.7, общался с авто электриком, сказал подбирать РН бесполезно, нужно ставить с 2108 генератора РН. при езде машина дергается, успокаивается только под нагрузкой и при 800 об\мин, немного газу, например что бы тронуться, начинается дискотека...
вопрос собственно в РН правда или миф?
вот такая ерунда у меня, у меня 21214 двигатель установлен с завода, 1.7, общался с авто электриком, сказал подбирать РН бесполезно, нужно ставить с 2108 генератора РН. при езде машина дергается, успокаивается только под нагрузкой и при 800 об\мин, немного газу, например что бы тронуться, начинается дискотека...
вопрос собственно в РН правда или миф?
-
serega81
- Водила

- Сообщения: 77
- Зарегистрирован: Пн июн 25, 2012 18:18:38
- Модель авто: Ваз 21043
- Тип двигателя: Карбюраторный
- Откуда: Рыбинск 76RUS
- Благодарил (а): 79 раз
- Поблагодарили: 2 раза
Re: Не нравится поведение стрелки вольтметра, смотрите тут.
GonZ
Проведи полную ревизию на гене. То есть прозвони тестером диодный мост.Проверь в каком состояний щетки на реле.За одно подшипники глянь.
Проведи полную ревизию на гене. То есть прозвони тестером диодный мост.Проверь в каком состояний щетки на реле.За одно подшипники глянь.
-
простосаня
- Классический Профи-Гуру

- Сообщения: 1313
- Зарегистрирован: Вс авг 25, 2013 19:46:51
- Модель авто: ВАЗ -21074,2008г.в.,морская пучина,БК штат 07х5 , улитка 08
- Тип двигателя: Инжекторный
- Откуда: вологодская обл
- Благодарил (а): 149 раз
- Поблагодарили: 136 раз
Re: Не нравится поведение стрелки вольтметра, смотрите тут.
Всем привет. Писал в своей теме. Зарядка подскочила до 15,3в. Поменял регулятор. Стало 14,5. Но потом снова 15, 3. На следующий день поехал- зарядка плавает от 12 до 15 с копейками. Сегодня вообще вылезло16,2. Гену недавно перебирал. Что за фигня, кто скажет.
Добавлено спустя 2 минуты 26 секунд:
Стоит ли мне завтра ехать в деревню( 100км) или ремонт обязателен. И что смотреть?
Добавлено спустя 2 минуты 26 секунд:
Стоит ли мне завтра ехать в деревню( 100км) или ремонт обязателен. И что смотреть?
-
VVB
- Коренной форумчанин :)
- Сообщения: 4303
- Зарегистрирован: Вс ноя 27, 2011 12:37:32
- Модель авто: ваз 2107 (2005 г.), генератор 372.3701, карбюратор ДААЗ 2107-1107010
- Тип двигателя: Карбюраторный
- Откуда: г. Тула
- Благодарил (а): 278 раз
- Поблагодарили: 732 раза
Re: Не нравится поведение стрелки вольтметра, смотрите тут.
ДМ и РН под замену.простосаня писал(а):...Зарядка подскочила ...Что за фигня...
Найти нормальный РН - бывает нелегко.
Лучше ремонт.простосаня писал(а):...Стоит ли мне завтра ехать в деревню( 100км) или ремонт обязателен...
А то можно:
1. спалить ближний
2. вскипятить АКБ
4. остаться без гены - а на АКБ 100 км не проедешь
-
LЁLIK
- Коренной форумчанин :)
- Сообщения: 3358
- Зарегистрирован: Ср окт 19, 2011 12:30:12
- Модель авто: LADA GRANTA 219470 2019 г.в. LADA KALINA 111930 2013г.в.(продана). ВАЗ 21074i август восьмого(Продано)
- Тип двигателя: Инжекторный
- Благодарил (а): 392 раза
- Поблагодарили: 218 раз
Re: Не нравится поведение стрелки вольтметра, смотрите тут.
Миф.VVB писал(а):на АКБ 100 км не проедешь
Оффтопик: Калуга-Людиново 200км
Затем такая же поездка назад.(но с заряженным аккумом)
Машина ОКА Серпуховского завода с китайцем под капотом.
-
VVB
- Коренной форумчанин :)
- Сообщения: 4303
- Зарегистрирован: Вс ноя 27, 2011 12:37:32
- Модель авто: ваз 2107 (2005 г.), генератор 372.3701, карбюратор ДААЗ 2107-1107010
- Тип двигателя: Карбюраторный
- Откуда: г. Тула
- Благодарил (а): 278 раз
- Поблагодарили: 732 раза
Re: Не нравится поведение стрелки вольтметра, смотрите тут.
Может гена, все таки, был больше жив чем мертв?LЁLIK писал(а):Миф.VVB писал(а):на АКБ 100 км не проедешь
Оффтопик: Калуга-Людиново 200км
Затем такая же поездка назад.(но с заряженным аккумом)
Машина ОКА Серпуховского завода с китайцем под капотом.
Иначе - даже про Оку - не верю.
-
простосаня
- Классический Профи-Гуру

- Сообщения: 1313
- Зарегистрирован: Вс авг 25, 2013 19:46:51
- Модель авто: ВАЗ -21074,2008г.в.,морская пучина,БК штат 07х5 , улитка 08
- Тип двигателя: Инжекторный
- Откуда: вологодская обл
- Благодарил (а): 149 раз
- Поблагодарили: 136 раз
Re: Не нравится поведение стрелки вольтметра, смотрите тут.
Отпишусь здесь. Разобрал гену, все прозвонил, проверил. Все исправно. Зачистил все контакты, собрал, поставил. Зарядка сразу 14 в. Поездил немного (11 кмпростосаня писал(а):. Писал в своей теме. Зарядка подскочила до 15,3в. Поменял регулятор. Стало 14,5. Но потом снова 15, 3. На следующий день поехал- зарядка плавает от 12 до 15 с копейками. Сегодня вообще вылезло16,2. Гену недавно перебирал. Что за фигня, кто скажет.
-
Димьян
- Классический Профи-Гуру

- Сообщения: 1378
- Зарегистрирован: Ср сен 28, 2011 5:58:23
- Модель авто: Ваз 21053 92г.в. Продан, Ваз 21114
- Тип двигателя: Инжекторный
- Откуда: 96 регион
- Благодарил (а): 113 раз
- Поблагодарили: 18 раз
Re: Не нравится поведение стрелки вольтметра, смотрите тут.
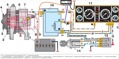
Здрасте. Вот надоела мне эта стрелка показывающяя всё что угодно ,но только не не напругу на клемах АКБ. Сижу кумекаю как бы правильно сделать чтоб вольтметр(штатный) показывал напругу на клемах АКБ. Понятно что проще протянуть плюс к самому прибору от АКБ напрямую через нависной пред,так он будет постоянно под напругой что не есть гуд. А если поставить в разрыв этого плюса реле(4-х контактное),то не будет ли врать приборчик по прежнему? Ведь в чтатной схеме он тоже подключен через реле зажигания. Или потери и скачки напруги на приборчике возникают при проходе напряжения через ЧЯ?
У вас нет необходимых прав для просмотра вложений в этом сообщении.
-
Антон80
- Модератор

- Сообщения: 47899
- Зарегистрирован: Сб окт 09, 2010 15:16:45
- Модель авто: Chevrolet AVEO 2005, 1.5
- Тип двигателя: Инжекторный
- Откуда: Украина, Кременчуг
- Благодарил (а): 1501 раз
- Поблагодарили: 3737 раз
Re: Не нравится поведение стрелки вольтметра, смотрите тут.
Не будет. Но это круто, ставить реле только на один вольтметр.
-
Димьян
- Классический Профи-Гуру

- Сообщения: 1378
- Зарегистрирован: Ср сен 28, 2011 5:58:23
- Модель авто: Ваз 21053 92г.в. Продан, Ваз 21114
- Тип двигателя: Инжекторный
- Откуда: 96 регион
- Благодарил (а): 113 раз
- Поблагодарили: 18 раз
Re: Не нравится поведение стрелки вольтметра, смотрите тут.
Круто,да. Но как по другому извернуться?Антон80 писал(а):Не будет. Но это круто, ставить реле только на один вольтметр.
-
Dogfighter
- Мега-Гуру Классики

- Сообщения: 1219
- Зарегистрирован: Пн янв 28, 2013 11:03:07
- Модель авто: Калина 1118
- Тип двигателя: Инжекторный
- Откуда: Томск
- Благодарил (а): 88 раз
- Поблагодарили: 103 раза
Re: Не нравится поведение стрелки вольтметра, смотрите тут.
Имхо, этот прибор, судя по его шкале, не для точного измерения вольтажа. Так, дополнение к лампочке. Если бы показывал с точностью до десятых долей, другое дело. А так - смысла не вижу в его доработках.
-
VVB
- Коренной форумчанин :)
- Сообщения: 4303
- Зарегистрирован: Вс ноя 27, 2011 12:37:32
- Модель авто: ваз 2107 (2005 г.), генератор 372.3701, карбюратор ДААЗ 2107-1107010
- Тип двигателя: Карбюраторный
- Откуда: г. Тула
- Благодарил (а): 278 раз
- Поблагодарили: 732 раза
Re: Не нравится поведение стрелки вольтметра, смотрите тут.
А вот так... http://www.drive2.ru/l/288230376152575306/Димьян писал(а):...Но как по другому извернуться?
ИЛИ - ВОТ ТАК...
-
Димьян
- Классический Профи-Гуру

- Сообщения: 1378
- Зарегистрирован: Ср сен 28, 2011 5:58:23
- Модель авто: Ваз 21053 92г.в. Продан, Ваз 21114
- Тип двигателя: Инжекторный
- Откуда: 96 регион
- Благодарил (а): 113 раз
- Поблагодарили: 18 раз
Re: Не нравится поведение стрелки вольтметра, смотрите тут.
Первое опять через замок,а второе в постоянку в прикуриватель или выдергивать все время.VVB писал(а):А вот так... http://www.drive2.ru/l/288230376152575306/Димьян писал(а):...Но как по другому извернуться?
ИЛИ - ВОТ ТАК...
Добавлено спустя 6 минут 6 секунд:
Если бы он не отвлекался на все скачки напруги в проводке -показывал нормально,накрайняк можно риски поставить хотя бы в пол вольта.Dogfighter писал(а):Имхо, этот прибор, судя по его шкале, не для точного измерения вольтажа. Так, дополнение к лампочке. Если бы показывал с точностью до десятых долей, другое дело. А так - смысла не вижу в его доработках.
-
VVB
- Коренной форумчанин :)
- Сообщения: 4303
- Зарегистрирован: Вс ноя 27, 2011 12:37:32
- Модель авто: ваз 2107 (2005 г.), генератор 372.3701, карбюратор ДААЗ 2107-1107010
- Тип двигателя: Карбюраторный
- Откуда: г. Тула
- Благодарил (а): 278 раз
- Поблагодарили: 732 раза
Re: Не нравится поведение стрелки вольтметра, смотрите тут.
да, и получаешь точность измерения - а не показания стрелки показометраДимьян писал(а):...Первое опять через замок...
выдергиватьДимьян писал(а):...а второе в постоянку в прикуриватель или выдергивать все время.


