Уголок калиновода

Все калиноводы, а так же те кто успел стать счастливым обладателем гранты - мы рады Вас видеть в этом разделе :)
Аватара пользователя
bilbo
Прописан на semerka.info
Сообщения: 19029
Зарегистрирован: Сб мар 16, 2013 6:53:20
Модель авто: ВАЗ 21043, 1992; 1118, 2008
Тип двигателя: Карбюраторный
Откуда: Самарская область
Благодарил (а): 4217 раз
Поблагодарили: 1224 раза

Уголок калиновода

Непрочитанное сообщение bilbo » Вс май 19, 2019 11:57:37

Dogfighter писал(а):
Вс май 19, 2019 5:47:07
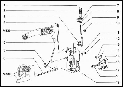
Дорогие калиноводы форума, подскажите, как выглядит наконечник тяги дверной ручки (передняя дверь) Гугл ясности не даёт.
На внутреннюю тягу навинчен квадратный пластиковый наконечник с отверстием. Легко слетает от вибрации. :D
Внешние тяги "из гугла".
хрясьb75dde2s-960.jpg
хрясьFgAAAgLMBOA-960.jpg
пщщщw8AAAgBMzOA-1920.jpg

Аватара пользователя
Dogfighter
Мега-Гуру Классики
Мега-Гуру Классики
Сообщения: 1219
Зарегистрирован: Пн янв 28, 2013 11:03:07
Модель авто: Калина 1118
Тип двигателя: Инжекторный
Откуда: Томск
Благодарил (а): 88 раз
Поблагодарили: 103 раза

Уголок калиновода

Непрочитанное сообщение Dogfighter » Вс май 19, 2019 18:52:52

bilbo Всё же не совсем понял, тяга, что в руке на фото, имеет какой-то наконечник со стороны замка, или нет? По схеме вроде бы нет :hmmm:

Аватара пользователя
bilbo
Прописан на semerka.info
Сообщения: 19029
Зарегистрирован: Сб мар 16, 2013 6:53:20
Модель авто: ВАЗ 21043, 1992; 1118, 2008
Тип двигателя: Карбюраторный
Откуда: Самарская область
Благодарил (а): 4217 раз
Поблагодарили: 1224 раза

Уголок калиновода

Непрочитанное сообщение bilbo » Вс май 19, 2019 19:06:08

Dogfighter писал(а):
Вс май 19, 2019 18:52:52
bilbo Всё же не совсем понял, тяга, что в руке на фото, имеет какой-то наконечник со стороны замка, или нет? По схеме вроде бы нет :hmmm:
1512533263_sh2.jpg
Я нашел несколько фото замков.
887_800_500_new.jpg
По идее тяга завинчивается в скобу, которая либо приклёпана, либо просто вставлена. :rlc:
e04540cs-960.jpg

Аватара пользователя
Dogfighter
Мега-Гуру Классики
Мега-Гуру Классики
Сообщения: 1219
Зарегистрирован: Пн янв 28, 2013 11:03:07
Модель авто: Калина 1118
Тип двигателя: Инжекторный
Откуда: Томск
Благодарил (а): 88 раз
Поблагодарили: 103 раза

Уголок калиновода

Непрочитанное сообщение Dogfighter » Вс май 19, 2019 19:58:31

bilbo, вот це дело! Я собственно, так и поступил, повертев в руках замок и тягу.

Аватара пользователя
Препод48рус
Прописан на semerka.info
Сообщения: 18012
Зарегистрирован: Пн фев 18, 2013 17:02:05
Модель авто: Lada Vesta SW Cross, "Маэстро", 2021 г.в., H4M+CVT, люкс, 57 000 км
Тип двигателя: Инжекторный
Откуда: Липецк - город металлургов
Благодарил (а): 1434 раза
Поблагодарили: 2222 раза

Уголок калиновода

Непрочитанное сообщение Препод48рус » Пн май 27, 2019 18:45:07

Для тех кто будет брать белый автомобиль - на белом цвете очень хорошо видно вбитую металлическую пыль с дорог.
И это не ржавеет авто, так как точки и на пластиковых окрашенных деталях, на других цветах не так заметно. Точно такие же точки и у коллеги на фольксвагене, и у брата на кашкае.
Вложения
IMG_20190527_180313.jpg

Аватара пользователя
четвёрковод
Модератор
Модератор
Сообщения: 14746
Зарегистрирован: Пт янв 01, 2010 1:32:37
Модель авто: при.лада
Тип двигателя: Инжекторный
Откуда: 57
Благодарил (а): 215 раз
Поблагодарили: 1439 раз

Уголок калиновода

Непрочитанное сообщение четвёрковод » Пн май 27, 2019 23:11:20

Цвет снежка, бампер передний весь рыжий.
Реально похоже что ржавеет, потом доходит что он пластиковый и едва ли сможет...
Мойка удаляет это безобразие.

Аватара пользователя
Препод48рус
Прописан на semerka.info
Сообщения: 18012
Зарегистрирован: Пн фев 18, 2013 17:02:05
Модель авто: Lada Vesta SW Cross, "Маэстро", 2021 г.в., H4M+CVT, люкс, 57 000 км
Тип двигателя: Инжекторный
Откуда: Липецк - город металлургов
Благодарил (а): 1434 раза
Поблагодарили: 2222 раза

Уголок калиновода

Непрочитанное сообщение Препод48рус » Вт май 28, 2019 8:58:49

только если тереть каждое пятнышко... :rlc:
больше белую машину себе не куплю...

Аватара пользователя
Миша
Пират болтун
Сообщения: 11975
Зарегистрирован: Вс мар 04, 2012 19:01:13
Модель авто: Ваз 2107 1.8i
Тип двигателя: Инжекторный
Откуда: Страна Героев и Воров
Благодарил (а): 396 раз
Поблагодарили: 875 раз

Уголок калиновода

Непрочитанное сообщение Миша » Вт май 28, 2019 15:59:55

мойка мне не помогала. на бежевом тоже самое было.. люк врезал, налетели камушки с болгарки.. а потом мне все орали, что через неделю после покраса ржаветь начала.. частично убралось полировкой, частично... осталось в водостоках и прочих неподлазных местах.. забил. хотя рыжим текло хорошо оттуда.. :rlc:

Аватара пользователя
Препод48рус
Прописан на semerka.info
Сообщения: 18012
Зарегистрирован: Пн фев 18, 2013 17:02:05
Модель авто: Lada Vesta SW Cross, "Маэстро", 2021 г.в., H4M+CVT, люкс, 57 000 км
Тип двигателя: Инжекторный
Откуда: Липецк - город металлургов
Благодарил (а): 1434 раза
Поблагодарили: 2222 раза

Уголок калиновода

Непрочитанное сообщение Препод48рус » Вс июн 02, 2019 13:20:42

Кому надо артикул для заказа салонного фильтра калина/гранта с жесткой пластиковой рамкой (оригинал)?
Вложения
IMG_20190602_141859.jpg

Аватара пользователя
Буйный
Генерал автомобильных войск semerka.info
Генерал автомобильных войск semerka.info
Сообщения: 42208
Зарегистрирован: Чт дек 11, 2008 17:11:37
Модель авто: Приора-универсал. Был весь ряд «классики».
Тип двигателя: Инжекторный
Откуда: Краснодарский край, г.Хадыженск
Благодарил (а): 2720 раз
Поблагодарили: 5094 раза

Уголок калиновода

Непрочитанное сообщение Буйный » Вс июн 02, 2019 18:48:40

Препод48рус, вот бы такой в Приорку безкондейную! Ток фуфло картонное предлагают, хотя мы знаем какой он должен быть нормальный, тот что на заводе ставили.

Аватара пользователя
Препод48рус
Прописан на semerka.info
Сообщения: 18012
Зарегистрирован: Пн фев 18, 2013 17:02:05
Модель авто: Lada Vesta SW Cross, "Маэстро", 2021 г.в., H4M+CVT, люкс, 57 000 км
Тип двигателя: Инжекторный
Откуда: Липецк - город металлургов
Благодарил (а): 1434 раза
Поблагодарили: 2222 раза

Уголок калиновода

Непрочитанное сообщение Препод48рус » Вс июн 02, 2019 21:11:55

Так и на калину в би-би и прочих магазах все картонное лежит, этот я с автодока по 180 р заказывал, а до этого с аламара, но там за доставку 300 р платить надо, брал сразу 10 - 5 себе и 5 тестю. Закончились, для пробы заказал в автодоке, привезли что надо :thum1:

Аватара пользователя
bilbo
Прописан на semerka.info
Сообщения: 19029
Зарегистрирован: Сб мар 16, 2013 6:53:20
Модель авто: ВАЗ 21043, 1992; 1118, 2008
Тип двигателя: Карбюраторный
Откуда: Самарская область
Благодарил (а): 4217 раз
Поблагодарили: 1224 раза

Уголок калиновода

Непрочитанное сообщение bilbo » Вт июн 04, 2019 18:03:18

Замена катушки на рабочую результатов не дала. Всё также троит.
Последний раз редактировалось bilbo Вт июн 04, 2019 21:55:24, всего редактировалось 1 раз.

Аватара пользователя
четвёрковод
Модератор
Модератор
Сообщения: 14746
Зарегистрирован: Пт янв 01, 2010 1:32:37
Модель авто: при.лада
Тип двигателя: Инжекторный
Откуда: 57
Благодарил (а): 215 раз
Поблагодарили: 1439 раз

Уголок калиновода

Непрочитанное сообщение четвёрковод » Вт июн 04, 2019 19:20:05

bilbo,
Компрессометр есть?

Аватара пользователя
bilbo
Прописан на semerka.info
Сообщения: 19029
Зарегистрирован: Сб мар 16, 2013 6:53:20
Модель авто: ВАЗ 21043, 1992; 1118, 2008
Тип двигателя: Карбюраторный
Откуда: Самарская область
Благодарил (а): 4217 раз
Поблагодарили: 1224 раза

Уголок калиновода

Непрочитанное сообщение bilbo » Вт июн 04, 2019 22:01:23

нет

Аватара пользователя
Препод48рус
Прописан на semerka.info
Сообщения: 18012
Зарегистрирован: Пн фев 18, 2013 17:02:05
Модель авто: Lada Vesta SW Cross, "Маэстро", 2021 г.в., H4M+CVT, люкс, 57 000 км
Тип двигателя: Инжекторный
Откуда: Липецк - город металлургов
Благодарил (а): 1434 раза
Поблагодарили: 2222 раза

Уголок калиновода

Непрочитанное сообщение Препод48рус » Ср июн 05, 2019 12:38:48

четвёрковод писал(а):
Вт июн 04, 2019 19:20:05
bilbo,
Компрессометр есть?
думаешь прогар/неплотность клапана? без компрессометра можно дымарем проверить или сигареткой

Аватара пользователя
четвёрковод
Модератор
Модератор
Сообщения: 14746
Зарегистрирован: Пт янв 01, 2010 1:32:37
Модель авто: при.лада
Тип двигателя: Инжекторный
Откуда: 57
Благодарил (а): 215 раз
Поблагодарили: 1439 раз

Уголок калиновода

Непрочитанное сообщение четвёрковод » Ср июн 05, 2019 12:43:47

Думаю так, Саня.
Ни чего умнее не придумаю.
Троит и без гагрузки и под нагрузкой, на давление топлива слабо похоже.
Сигареткой можно, да, но надо изловчаться и проявлять смекалку. Компрессометром проще кажись.

Аватара пользователя
Препод48рус
Прописан на semerka.info
Сообщения: 18012
Зарегистрирован: Пн фев 18, 2013 17:02:05
Модель авто: Lada Vesta SW Cross, "Маэстро", 2021 г.в., H4M+CVT, люкс, 57 000 км
Тип двигателя: Инжекторный
Откуда: Липецк - город металлургов
Благодарил (а): 1434 раза
Поблагодарили: 2222 раза

Уголок калиновода

Непрочитанное сообщение Препод48рус » Ср июн 05, 2019 12:52:01

цилиндр в ВМТ, свечу выкрутил, шланг к свечному отверстию плотно и курить в него и следить куда дым пойдет: выпускной в глушитель, впускной в коллектор и воздухан

Аватара пользователя
четвёрковод
Модератор
Модератор
Сообщения: 14746
Зарегистрирован: Пт янв 01, 2010 1:32:37
Модель авто: при.лада
Тип двигателя: Инжекторный
Откуда: 57
Благодарил (а): 215 раз
Поблагодарили: 1439 раз

Уголок калиновода

Непрочитанное сообщение четвёрковод » Ср июн 05, 2019 15:03:04

Накурить всю выхлопную думаю не просто.
Если, может выкрутить лямбду.
Хотя можно обойтись насосом или компрессором. Если это сделать на прогретом моторе будет даже понятнее. Воздух тёплый будет идти.

Аватара пользователя
Препод48рус
Прописан на semerka.info
Сообщения: 18012
Зарегистрирован: Пн фев 18, 2013 17:02:05
Модель авто: Lada Vesta SW Cross, "Маэстро", 2021 г.в., H4M+CVT, люкс, 57 000 км
Тип двигателя: Инжекторный
Откуда: Липецк - город металлургов
Благодарил (а): 1434 раза
Поблагодарили: 2222 раза

Уголок калиновода

Непрочитанное сообщение Препод48рус » Пн июн 10, 2019 18:05:05

150 кг труб на крыше и 70 кг в салоне :D, беседка начата :-J
Вложения
IMG_20190608_113642.jpg

Аватара пользователя
Fox
Коренной форумчанин :)
Сообщения: 3308
Зарегистрирован: Вс сен 27, 2009 21:46:33
Модель авто: 2106 90'
Тип двигателя: Карбюраторный
Откуда: Орехово-Зуево
Благодарил (а): 160 раз
Поблагодарили: 225 раз
Контактная информация:

Уголок калиновода

Непрочитанное сообщение Fox » Пн июн 10, 2019 18:15:20

Прямоток из профильной трубы и сразу с выходом на крышу :psih:

Аватара пользователя
bilbo
Прописан на semerka.info
Сообщения: 19029
Зарегистрирован: Сб мар 16, 2013 6:53:20
Модель авто: ВАЗ 21043, 1992; 1118, 2008
Тип двигателя: Карбюраторный
Откуда: Самарская область
Благодарил (а): 4217 раз
Поблагодарили: 1224 раза

Уголок калиновода

Непрочитанное сообщение bilbo » Пн июн 10, 2019 19:13:34

5b5a5f5s-960.jpg

Аватара пользователя
bilbo
Прописан на semerka.info
Сообщения: 19029
Зарегистрирован: Сб мар 16, 2013 6:53:20
Модель авто: ВАЗ 21043, 1992; 1118, 2008
Тип двигателя: Карбюраторный
Откуда: Самарская область
Благодарил (а): 4217 раз
Поблагодарили: 1224 раза

Уголок калиновода

Непрочитанное сообщение bilbo » Пт июн 14, 2019 12:00:40

Залил спирт+ацетон+50мл, ацетон+димексид 100мл. Стало значительно лучше, но иногда всё равно немного троило.
Ошибки - пропуски 3 и 4 цилиндры + датчик детонации. После сброса ошибок часа 2 катался без "чека", после заправки он опять загорелся.

Аватара пользователя
четвёрковод
Модератор
Модератор
Сообщения: 14746
Зарегистрирован: Пт янв 01, 2010 1:32:37
Модель авто: при.лада
Тип двигателя: Инжекторный
Откуда: 57
Благодарил (а): 215 раз
Поблагодарили: 1439 раз

Уголок калиновода

Непрочитанное сообщение четвёрковод » Пт июн 14, 2019 13:10:00

Датчик детонации - что?

Аватара пользователя
bilbo
Прописан на semerka.info
Сообщения: 19029
Зарегистрирован: Сб мар 16, 2013 6:53:20
Модель авто: ВАЗ 21043, 1992; 1118, 2008
Тип двигателя: Карбюраторный
Откуда: Самарская область
Благодарил (а): 4217 раз
Поблагодарили: 1224 раза

Уголок калиновода

Непрочитанное сообщение bilbo » Пт июн 14, 2019 17:20:43

четвёрковод писал(а):
Пт июн 14, 2019 13:10:00
Датчик детонации - что?
Замена, я его даже мерял мультиметром и так и сяк. И стучал по нему и давил, как на youtube, а он всё какую то ерунду показывал. Кстати без без него машина вполне сносно едет. Как поставил новый, так как будто провода сорвали с пары свечей.
Поменял свечи, машина стала рвать из под себя. :pilot:
Чек пропал, троение осталось. Старые свечи красноватые по моему. Короче пока все присадки не выгорят, наверное так и будет троить.
Старые свечи по порядку, как в двигателе.
DSCN0812_1.jpg

Аватара пользователя
Препод48рус
Прописан на semerka.info
Сообщения: 18012
Зарегистрирован: Пн фев 18, 2013 17:02:05
Модель авто: Lada Vesta SW Cross, "Маэстро", 2021 г.в., H4M+CVT, люкс, 57 000 км
Тип двигателя: Инжекторный
Откуда: Липецк - город металлургов
Благодарил (а): 1434 раза
Поблагодарили: 2222 раза

Уголок калиновода

Непрочитанное сообщение Препод48рус » Пт июн 14, 2019 21:37:51

бензин по 18 р за литр? 🤔

Ответить

Вернуться в «Калина и Гранта ВАЗ-1117 ВАЗ-2190 и их модификации»

Кто сейчас на конференции

Сейчас этот форум просматривают: нет зарегистрированных пользователей и 5 гостей