Искал в инете инфу как сделать принудительное включение охлаждения радиатора
и наткнулся на "Силыч"-Интеллектуальная система управления электровентилятором системы охлаждения двигателя автомобиля.
Цель создания Блока управления электровентилятором системы охлаждения (БУ ЭВСО) «СиличЪ-Борей» - объединение достоинств и исключение недостатков традиционных систем охлаждения двигателя путем внедрения принципиально нового алгоритма плавного управления скоростью вращения электровентилятора для стабилизации температуры двигателя автомобиля.
Нам на личных машинах не нравилась тупая работа штатной системы управления электровентилятором - включение электровентилятора на доведенном до перегрева двигателе автомобиля на полную мощность при явственно слышимом раздражающем шуме от вибрации работающего электровентилятора и выключение его после переохлаждения автомобильного двигателя. Например, в "пробках" достаточно включить электровентилятор заранее, всего на 30%, не доводя до перегрева двигатель автомобиля. При этом вибрации работающего электровентилятора не то что не слышны, а даже не ощущаются.
За основу алгоритма управления была взята идея работы вискомуфты, т.е. изменение скорости вращения вентилятора в зависимости от температуры двигателя.
Вообще, в пробках можно постоянно включать вход кондиционера на БУ ЭВСО и БУ ЭВСО на небольшой мощности будет постоянно продувать подкапотное пространство точно так же, как и вискомуфта.
Для управления скоростью вращения в устройстве используется широтно-импульсная модуляция (ШИМ), при которой на электровентилятор подается не постоянное напряжение, а импульсное напряжение прямоугольной формы. Увеличение температуры двигателя автомобиля вызывает увеличение длительности импульсов. Чем больше длительность импульсов, тем больше средний ток и выше скорость вращения и текущая охлаждающая мощность вентилятора.
БУ ЭВСО, являясь универсальным контроллером, может управлять не только ЭВСО, но и любым коллекторным электродвигателем с напряжением питания 12-24В при нагрузочных токах порядка 30 А, например, электробензонасосом, вентилятором "печки", интеркулером, электровентилятором охлаждения моторного масла или масла АКПП и т.д. при наличии соответствующей "прошивки".
Благодаря отсутствию "ударного" включения электровентилятора сразу на полную мощность, удалось полностью ликвидировать скачки напряжения и тока бортовой сети, продлевая, тем самым, ресурс аккумуляторной батареи.
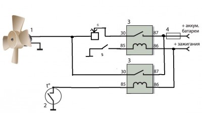
Измерение температуры двигателя производится штатным датчиком температуры, расположенным либо на блоке двигателя, либо на термостате, что обеспечивает контроль именно температуры двигателя, а не радиатора.
Желаемая температура стабилизации двигателя автомобиля "программируется" водителем простым нажатием кнопки. Адаптивный алгоритм управления, позволяющий поддерживать температуру в узком диапазоне (1 — 2 °С) для различных типов двигателей, исключает эффект «термокачки», что увеличивает ресурс двигателя внутреннего сгорания.
В процессе эксплуатации устройство не требует технического обслуживания.
Блок управления электровентилятором системы охлаждения «СиличЪ-Борей» позволяет:
снизить расход топлива;
увеличить срок службы (ресурс) двигателя автомобиля;
практически исключить шум от работы вентилятора;
уменьшить электрическую нагрузку на бортовую сеть автомобиля.
Преимущества:
простота задания и перестройки температуры стабилизации;
контроль работы электровентилятора системы охлаждения с помощью запрограммированных тестов;
контроль рабочих параметров системы охлаждения при запуске двигателя;
автоматическая защита от перегрузки по току свыше 40 А;
автоматическая защита от короткого замыкания по току свыше 50 А;
легкое встраивание в штатную систему охлаждения;
стабилизация температуры двигателя, а не радиатора;
высокая надежность;
резервирование (штатная система охлаждения остается в качестве дублирующей).
Нам на личных машинах не нравилась тупая работа штатной системы управления электровентилятором - включение электровентилятора на доведенном до перегрева двигателе автомобиля на полную мощность при явственно слышимом раздражающем шуме от вибрации работающего электровентилятора и выключение его после переохлаждения автомобильного двигателя. Например, в "пробках" достаточно включить электровентилятор заранее, всего на 30%, не доводя до перегрева двигатель автомобиля. При этом вибрации работающего электровентилятора не то что не слышны, а даже не ощущаются.
За основу алгоритма управления была взята идея работы вискомуфты, т.е. изменение скорости вращения вентилятора в зависимости от температуры двигателя.
Вообще, в пробках можно постоянно включать вход кондиционера на БУ ЭВСО и БУ ЭВСО на небольшой мощности будет постоянно продувать подкапотное пространство точно так же, как и вискомуфта.
Для управления скоростью вращения в устройстве используется широтно-импульсная модуляция (ШИМ), при которой на электровентилятор подается не постоянное напряжение, а импульсное напряжение прямоугольной формы. Увеличение температуры двигателя автомобиля вызывает увеличение длительности импульсов. Чем больше длительность импульсов, тем больше средний ток и выше скорость вращения и текущая охлаждающая мощность вентилятора.
БУ ЭВСО, являясь универсальным контроллером, может управлять не только ЭВСО, но и любым коллекторным электродвигателем с напряжением питания 12-24В при нагрузочных токах порядка 30 А, например, электробензонасосом, вентилятором "печки", интеркулером, электровентилятором охлаждения моторного масла или масла АКПП и т.д. при наличии соответствующей "прошивки".
Благодаря отсутствию "ударного" включения электровентилятора сразу на полную мощность, удалось полностью ликвидировать скачки напряжения и тока бортовой сети, продлевая, тем самым, ресурс аккумуляторной батареи.
Измерение температуры двигателя производится штатным датчиком температуры, расположенным либо на блоке двигателя, либо на термостате, что обеспечивает контроль именно температуры двигателя, а не радиатора.
Желаемая температура стабилизации двигателя автомобиля "программируется" водителем простым нажатием кнопки. Адаптивный алгоритм управления, позволяющий поддерживать температуру в узком диапазоне (1 — 2 °С) для различных типов двигателей, исключает эффект «термокачки», что увеличивает ресурс двигателя внутреннего сгорания.
В процессе эксплуатации устройство не требует технического обслуживания.
Блок управления электровентилятором системы охлаждения «СиличЪ-Борей» позволяет:
снизить расход топлива;
увеличить срок службы (ресурс) двигателя автомобиля;
практически исключить шум от работы вентилятора;
уменьшить электрическую нагрузку на бортовую сеть автомобиля.
Преимущества:
простота задания и перестройки температуры стабилизации;
контроль работы электровентилятора системы охлаждения с помощью запрограммированных тестов;
контроль рабочих параметров системы охлаждения при запуске двигателя;
автоматическая защита от перегрузки по току свыше 40 А;
автоматическая защита от короткого замыкания по току свыше 50 А;
легкое встраивание в штатную систему охлаждения;
стабилизация температуры двигателя, а не радиатора;
высокая надежность;
резервирование (штатная система охлаждения остается в качестве дублирующей).

Я понимаю что это уже "тюнинг"да и стоит не дешево, но мне хотелось бы знать,кто-нибудь из Вас ставил сей девайс на авто,
действительно ли оно такое "зашибатое"
адресс сайта





