Поставил я себе в передние двери стеклоподъемники "Forward", они на самом деле работают быстрее чем "Гранат".
Скажу честно, само меня это не особо интересовало, настоял один мой товарищ. Ну и вот что из этого получилось.
Сама по себе механическая реализация не особо сложная, "Гранаты" подходят для этой цели идеально. Глядите сами, вот общий вид правой и левой стороны доводчика:


То есть берем стеклоподъемник "Гранат", подгибаем его примерно так, как на фото. Закрепляем его - одна точка это пластинка крепления торсиона, вторая - к полке. Пластина, которая обозначена как "упор усилитель", и усиливает конструкцию, и является упором стеклоподъемника в открытом положении багажника.
Теперь о том, как сам багажник связан с электроходом. Решения могут быть абсолютно любые, у меня валялись в гараже газовые упоры и механизм пятой двери какой то иномарки, вот их я и использовал. Вообще можно обойтись любым другим решением, но мой вариант на фото:

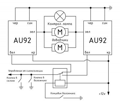
Это что касается механической части. Теперь самое хитрое - это электроника управления.
Когда я начал искать информацию по этой теме, что только не находил. Непонятные схемы чуть ли не с дюжиной реле, которые оказались абсолютно неработоспособны, либо схемы с процессорами, которые надо было программировать. Всё это меня не устраивало, хотелось чего то простого, и доступного любому человеку, у которого нет возможности запрограммировать процессор, либо купить блок, изначально заточенный под это.
В результате, пораскинув мозгами, придумал такую схему.

Её смысл. Используем два доводчика "Сатурн AU 92", один не получится в силу смысла его работы. То есть каждый доводчик отвечает за работу механизма или на закрывание, или на открывание. Реле в схеме коммутирует сигнал на доводчики в зависимости от положения концевого выключателя багажника. При такой схеме любая команда минус, неважно, от чего она пришла, или от сигнализации, или от кнопок в багажнике и салоне, приводит к задействованию либо открывания, либо закрывания багажника.
Отдельный вопрос - замок блокировки багажника. Я его сохранил, хотя можно обойтись и без него. Если будет интересно - напишу, как правильно это реализовать.
Ну и ещё пара фото:



Если кому то интересны отдельные вопросы, пишите, постараюсь ответить.