Силовой каскад на коммутаторах 2108
- alexandr81
- Классиковод

- Сообщения: 209
- Зарегистрирован: Ср июл 06, 2011 18:52:31
- Модель авто: ВАЗ2107, ЭСП, ЭУР, Электроника от пассата б4 полностью, Я 5.1.3 ГБО stag 200gofast
- Тип двигателя: Инжекторный
- Откуда: Житомир
- Благодарил (а): 1 раз
- Поблагодарили: 14 раз
Силовой каскад на коммутаторах 2108
Доброго времени суток. Будем надеятся что эта информация станет полезной для каждого классиковода у которой есть инжекторная машина. Сегодня столкнулся с ремонтом инжекторной 4ки у человека сгорела катушка зажигания, он говорил что уже вторая, начал прозванивать провода все вроде впорядке ну полез в мозги и обнаужил два обугленых силовых ключа. Товарищ не с моего города просто заехал к сослуживцу погостить и надо было срочно сделать авто. так что на заказ комплектующих небыло времени и темболее половина из них нерабочие. Тут решил попробовать втулить просто два транзистора по структуре подобных но неработает какая то хитрая микруха следит за транзисторами этими. после долгих раздумываний и варианте покупки нового эбу тут пришла идея внедрить два коммутатора от бсз, запечатлять работу на фото небыло времени и погода неподходящая,а расказать и на рисовать вкратце могу. Вот на первом рисунке примерная структурная схема выходного каскада на катушку зажигания с хитрой микросхемой
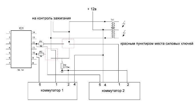
на втором рисунке показано ка подключить коммутатори чтобы контроллер незаподозрил ошибки так что можна вгаражных условиях при наявности обычных коммутаторов отремонтировать больное место классики ,за ошибки не пинайте бо решил по быстрому напечатать после того как мужик позвонил мне что добрался домой без приключений а это 300 км. если что спрашивайте отвечу
на втором рисунке показано ка подключить коммутатори чтобы контроллер незаподозрил ошибки так что можна вгаражных условиях при наявности обычных коммутаторов отремонтировать больное место классики ,за ошибки не пинайте бо решил по быстрому напечатать после того как мужик позвонил мне что добрался домой без приключений а это 300 км. если что спрашивайте отвечу
Последний раз редактировалось четвёрковод Чт дек 06, 2012 21:51:17, всего редактировалось 1 раз.
Причина: поправил картинки
Причина: поправил картинки
- angtar
- Автолюбитель

- Сообщения: 33
- Зарегистрирован: Чт июл 08, 2010 11:35:09
- Модель авто: ВАЗ-11193, М-21406
- Тип двигателя: Инжекторный
- Откуда: Белгород, 31RUS
- Благодарил (а): 1 раз
- Поблагодарили: 9 раз
- Контактная информация:
Re: Силовой каскад на коммутаторах 2108
Первый вопрос: какой блок???
А так вот две схемы для Я5.х...
Во втором случае ставиться катушка от Я7.2
А так вот две схемы для Я5.х...
Во втором случае ставиться катушка от Я7.2
- alexandr81
- Классиковод

- Сообщения: 209
- Зарегистрирован: Ср июл 06, 2011 18:52:31
- Модель авто: ВАЗ2107, ЭСП, ЭУР, Электроника от пассата б4 полностью, Я 5.1.3 ГБО stag 200gofast
- Тип двигателя: Инжекторный
- Откуда: Житомир
- Благодарил (а): 1 раз
- Поблагодарили: 14 раз
Re: Силовой каскад на коммутаторах 2108
так у тебя просто подключение вместо модуля, а в том эбу бош м 7.9.7 выгорел полностю выходной каскад и коммутаторы уже его заменяют и на рисунке показано что когда их подключать на место транзисторов то и выход будет контролироваться и небудет ошибки типа обрыв или кз катушки
-
fragnatyc
- Стажер

- Сообщения: 17
- Зарегистрирован: Чт дек 13, 2012 17:11:53
- Модель авто: VAZ 2106i
- Тип двигателя: Инжекторный
- Благодарил (а): 1 раз
Re: Силовой каскад на коммутаторах 2108
а в интернете пишут что вообще не реально такое сделать http://forum.chiptuner.ru/showthread.php?t=55130alexandr81 писал(а):так у тебя просто подключение вместо модуля, а в том эбу бош м 7.9.7 выгорел полностю выходной каскад и коммутаторы уже его заменяют и на рисунке показано что когда их подключать на место транзисторов то и выход будет контролироваться и небудет ошибки типа обрыв или кз катушки
-
zombie177rus
- Вечная Память!

- Сообщения: 12668
- Зарегистрирован: Чт окт 27, 2011 13:50:40
- Модель авто: ВАЗ2107,много не сток
- Тип двигателя: Инжекторный
- Откуда: Москва
- Благодарил (а): 90 раз
- Поблагодарили: 1275 раз
- alexandr81
- Классиковод

- Сообщения: 209
- Зарегистрирован: Ср июл 06, 2011 18:52:31
- Модель авто: ВАЗ2107, ЭСП, ЭУР, Электроника от пассата б4 полностью, Я 5.1.3 ГБО stag 200gofast
- Тип двигателя: Инжекторный
- Откуда: Житомир
- Благодарил (а): 1 раз
- Поблагодарили: 14 раз
Re: Силовой каскад на коммутаторах 2108
Для чего это нужно, просто не всегда можна достать детали которые можна заменить, были случаи когда через интернет заказивал на гбо запчасти то из 4 только 2 рабочих былоzombie177rus писал(а):Реально всё.Но на кой ляд???
- alexandr81
- Классиковод

- Сообщения: 209
- Зарегистрирован: Ср июл 06, 2011 18:52:31
- Модель авто: ВАЗ2107, ЭСП, ЭУР, Электроника от пассата б4 полностью, Я 5.1.3 ГБО stag 200gofast
- Тип двигателя: Инжекторный
- Откуда: Житомир
- Благодарил (а): 1 раз
- Поблагодарили: 14 раз
Re: Силовой каскад на коммутаторах 2108
Ну если пишут что не реально то пускай приедут к нам на сто уже вторая машина готова на коммутаторах нам вобще даже при большом желании заменить транзисторы не получится выгорело все к чертям и на помощь пришел бошевский комутатор двухканальный с входами на 5вfragnatyc писал(а):а в интернете пишут что вообще не реально такое сделать http://forum.chiptuner.ru/showthread.php?t=55130alexandr81 писал(а):так у тебя просто подключение вместо модуля, а в том эбу бош м 7.9.7 выгорел полностю выходной каскад и коммутаторы уже его заменяют и на рисунке показано что когда их подключать на место транзисторов то и выход будет контролироваться и небудет ошибки типа обрыв или кз катушки
-
zombie177rus
- Вечная Память!

- Сообщения: 12668
- Зарегистрирован: Чт окт 27, 2011 13:50:40
- Модель авто: ВАЗ2107,много не сток
- Тип двигателя: Инжекторный
- Откуда: Москва
- Благодарил (а): 90 раз
- Поблагодарили: 1275 раз
Re: Силовой каскад на коммутаторах 2108
Ради искусства-понять могу.НО:когда в ЭБУ что-то именно выгорит ясным пламенем и починено каким-то образом,суммарная надёжность сего сгодится лишь для поездки за новым ЭБУ в магазин.Жареное оно и есть жареное. 
- alexandr81
- Классиковод

- Сообщения: 209
- Зарегистрирован: Ср июл 06, 2011 18:52:31
- Модель авто: ВАЗ2107, ЭСП, ЭУР, Электроника от пассата б4 полностью, Я 5.1.3 ГБО stag 200gofast
- Тип двигателя: Инжекторный
- Откуда: Житомир
- Благодарил (а): 1 раз
- Поблагодарили: 14 раз
Re: Силовой каскад на коммутаторах 2108
Да впринцыпе оно то так но впервом случае на 4 ки на кз. небыло разема и стояли раздельные фишки и повидимому коротнули, а на 9ке сегодня почти закончил то виноваты установщики гбо, он взяли сигнал оборотов с канала 1и4 цилиндра, а ихние провода были без гофры даже изолентой не обмотали и то все дело спомощю дрели подвели в салон ну и на перегородке салон мотор все коротнуло, так что впрысковая система не виноватаzombie177rus писал(а):Ради искусства-понять могу.НО:когда в ЭБУ что-то именно выгорит ясным пламенем и починено каким-то образом,суммарная надёжность сего сгодится лишь для поездки за новым ЭБУ в магазин.Жареное оно и есть жареное.
Кто сейчас на конференции
Сейчас этот форум просматривают: нет зарегистрированных пользователей и 10 гостей