Электрофлудилка - II
Модератор: andy
- X-TAZ
- Гуру теплотехники :)
- Сообщения: 22028
- Зарегистрирован: Вс окт 10, 2010 18:36:03
- Модель авто: ваз-2105, 1985 г.в. БСЗ, бензин. 5 лет на зимней резине катал не снимая!!! уже снял.
- Тип двигателя: Карбюраторный
- Откуда: Днепр. обл
- Благодарил (а): 2975 раз
- Поблагодарили: 883 раза
- Контактная информация:
Re: Электрофлудилка - II
Вот он таймер-реле времени механическое. А моё кстати накрылось - не включает мне бойлер! надо чистить контакты штоле - лет 10 ему.
- X-TAZ
- Гуру теплотехники :)
- Сообщения: 22028
- Зарегистрирован: Вс окт 10, 2010 18:36:03
- Модель авто: ваз-2105, 1985 г.в. БСЗ, бензин. 5 лет на зимней резине катал не снимая!!! уже снял.
- Тип двигателя: Карбюраторный
- Откуда: Днепр. обл
- Благодарил (а): 2975 раз
- Поблагодарили: 883 раза
- Контактная информация:
- артур с
- Прописан на semerka.info
- Сообщения: 18512
- Зарегистрирован: Сб сен 24, 2011 16:37:11
- Модель авто: Volkswagen Jetta очередная 1989 г.р.
- Тип двигателя: Карбюраторный
- Откуда: 47
- Благодарил (а): 1364 раза
- Поблагодарили: 1232 раза
Re:
ничо не делать Санчес---в этом боксе борода это судьбаX-TAZ писал(а):Артур, покажи как это делать не с бородой, которую ты имел ввиду!!
я серьезно
Добавлено спустя 20 минут 38 секунд:
Re: Электрофлудилка - II
ну стяни стяжками мелкими провода если это тебя успокоит
- X-TAZ
- Гуру теплотехники :)
- Сообщения: 22028
- Зарегистрирован: Вс окт 10, 2010 18:36:03
- Модель авто: ваз-2105, 1985 г.в. БСЗ, бензин. 5 лет на зимней резине катал не снимая!!! уже снял.
- Тип двигателя: Карбюраторный
- Откуда: Днепр. обл
- Благодарил (а): 2975 раз
- Поблагодарили: 883 раза
- Контактная информация:
Ну короче я поняв- просто тебя волнует переплетение кучи проводов. Ну да- места там мало. А стяжками стяни- потом фиг переделаешь- раскусывай стяжки только. Я вот переделывал местами тут уже. Да- в след раз если он будет, то побольше бокс возьму!
Кстати- нашёл сегодня в продаже такое квадратное реле времени механическое, только с индикаторной лампой встроенной! Тю. А я уже в насос втулил индикаторку. Та шо отак от.
А ещё токошо справил своё реле мханическое, на фото выше показывал два рядом. Короче вскрыл - шестерни рассыпались! Еле собрал. Причина была- износ микрика- или рычажка, который нажимает на микрик! Так я наклеил кусочек пластика на рычажок- и микрик снова включается! Ну и вскрыл почистил контакт микрика! Там ведь уже год бойлер законтачивается! Но ничё- контакты годные. А вот пара резисторов, идущие на индикаторную лампу и на катушку механизма часового видно шо перегреваются- нааляются! Отчего и почему!????? Это у меня в фонарике в схеме зарядки аккума так перегревался резистор! Аж пластик потрескалси!
Добавлено спустя 9 часов 37 минут 50 секунд:
Re: Электрофлудилка - II
Ану-ка навскидку - это чисто инвертор или ИБП с выносным аккумом? а то есть индикатор "заряд" - типа как будет поддерживать акум заряженным - значит ибп вроде как.
Добавлено спустя 10 минут 2 секунды:
Re: Электрофлудилка - II
Вот он - нашёл. http://ibpdlyakotla.com.ua/LEOTON_C.html
Добавлено спустя 10 минут 28 секунд:
Re: Электрофлудилка - II
"Предназначено для питания от аккумулятора различных потребителей электроэнергии напряжением 220 В 50 Гц в случае пропадания электроэнергии в бытовой электросети. А также для автоматической подзарядки аккумулятора при появлении напряжения в электросети."
то есть можно купить аккум и пусть работает всё через аккум. Остаётся подумать потянет ли этот леотон-500 нагрузку котёл - 150 ватт, 5 насосов - 92, 92, 82, 50, 35 ватт. Итого530 ватт. не потянет! надо будет кое какие насосы отрубать для работы. например рециркуляцию гвс, тёплые полы...а пусть греет основной контур и бойлер и всё! чудесненько!
Кстати- нашёл сегодня в продаже такое квадратное реле времени механическое, только с индикаторной лампой встроенной! Тю. А я уже в насос втулил индикаторку. Та шо отак от.
А ещё токошо справил своё реле мханическое, на фото выше показывал два рядом. Короче вскрыл - шестерни рассыпались! Еле собрал. Причина была- износ микрика- или рычажка, который нажимает на микрик! Так я наклеил кусочек пластика на рычажок- и микрик снова включается! Ну и вскрыл почистил контакт микрика! Там ведь уже год бойлер законтачивается! Но ничё- контакты годные. А вот пара резисторов, идущие на индикаторную лампу и на катушку механизма часового видно шо перегреваются- нааляются! Отчего и почему!????? Это у меня в фонарике в схеме зарядки аккума так перегревался резистор! Аж пластик потрескалси!
Добавлено спустя 9 часов 37 минут 50 секунд:
Re: Электрофлудилка - II
Ану-ка навскидку - это чисто инвертор или ИБП с выносным аккумом? а то есть индикатор "заряд" - типа как будет поддерживать акум заряженным - значит ибп вроде как.
Добавлено спустя 10 минут 2 секунды:
Re: Электрофлудилка - II
Вот он - нашёл. http://ibpdlyakotla.com.ua/LEOTON_C.html
Добавлено спустя 10 минут 28 секунд:
Re: Электрофлудилка - II
"Предназначено для питания от аккумулятора различных потребителей электроэнергии напряжением 220 В 50 Гц в случае пропадания электроэнергии в бытовой электросети. А также для автоматической подзарядки аккумулятора при появлении напряжения в электросети."
то есть можно купить аккум и пусть работает всё через аккум. Остаётся подумать потянет ли этот леотон-500 нагрузку котёл - 150 ватт, 5 насосов - 92, 92, 82, 50, 35 ватт. Итого530 ватт. не потянет! надо будет кое какие насосы отрубать для работы. например рециркуляцию гвс, тёплые полы...а пусть греет основной контур и бойлер и всё! чудесненько!
- X-TAZ
- Гуру теплотехники :)
- Сообщения: 22028
- Зарегистрирован: Вс окт 10, 2010 18:36:03
- Модель авто: ваз-2105, 1985 г.в. БСЗ, бензин. 5 лет на зимней резине катал не снимая!!! уже снял.
- Тип двигателя: Карбюраторный
- Откуда: Днепр. обл
- Благодарил (а): 2975 раз
- Поблагодарили: 883 раза
- Контактная информация:
Однополюсный автомат на схеме обозначают QF, а двухполюсный?
Фаза идёт сплошной линией, ноль пунктиров , а земля? Которая PE проводник?
Добавлено спустя 23 минуты 51 секунду:
А вот кучу нашёл. Токо не поняв ноль какой линией вести? Сплошной как и фазу? http://ddecad.ru/uslovnye-oboznacheniya ... -skhemakh/
Добавлено спустя 26 минут 30 секунд:
Отак ещё шины фазные можно делать- http://www.rmnt.ru/pub2/JO/1O/JO1Owq5Z.jpg
Фаза идёт сплошной линией, ноль пунктиров , а земля? Которая PE проводник?
Добавлено спустя 23 минуты 51 секунду:
А вот кучу нашёл. Токо не поняв ноль какой линией вести? Сплошной как и фазу? http://ddecad.ru/uslovnye-oboznacheniya ... -skhemakh/
Добавлено спустя 26 минут 30 секунд:
Отак ещё шины фазные можно делать- http://www.rmnt.ru/pub2/JO/1O/JO1Owq5Z.jpg
- артур с
- Прописан на semerka.info
- Сообщения: 18512
- Зарегистрирован: Сб сен 24, 2011 16:37:11
- Модель авто: Volkswagen Jetta очередная 1989 г.р.
- Тип двигателя: Карбюраторный
- Откуда: 47
- Благодарил (а): 1364 раза
- Поблагодарили: 1232 раза
Re:
о блин, я и не знал....спасибоX-TAZ писал(а): А вот кучу нашёл. Токо не поняв ноль какой линией вести? Сплошной как и фазу? http://ddecad.ru/uslovnye-oboznacheniya ... -skhemakh/
сохраню в закладки
Добавлено спустя 1 час 24 минуты 12 секунд:
Re: Электрофлудилка - II
во так бывает у вас---сгорает лампа накаливания и вышибает автомат???...бывает
а вот теперь еще вместе с автоматом выгорает вставка 16 на опоре
и в чем селективность ---как ее соблюсти еще...по идее в случае такого коротыша должен сработать только групповой автомат и все---автомат легранд---10 ампер на группу света---выбило 10,...16 двухполюсник на фасаде не выбило,сгорела вставка
хозяева дед с бабкой
я понимаю ставят 16 вставку защита от перегруза сети..ну хоть расчитайте задержку что или какую то
падлы сетевики ненавижу их
- X-TAZ
- Гуру теплотехники :)
- Сообщения: 22028
- Зарегистрирован: Вс окт 10, 2010 18:36:03
- Модель авто: ваз-2105, 1985 г.в. БСЗ, бензин. 5 лет на зимней резине катал не снимая!!! уже снял.
- Тип двигателя: Карбюраторный
- Откуда: Днепр. обл
- Благодарил (а): 2975 раз
- Поблагодарили: 883 раза
- Контактная информация:
- Антон80
- Модератор

- Сообщения: 47861
- Зарегистрирован: Сб окт 09, 2010 15:16:45
- Модель авто: Chevrolet AVEO 2005, 1.5
- Тип двигателя: Инжекторный
- Откуда: Украина, Кременчуг
- Благодарил (а): 1517 раз
- Поблагодарили: 3794 раза
Re: Электрофлудилка - II
Я бы уточнил. Есть высоковольтные сети, а есть распредсети, это от 10 кВ и ниже. Вот тут процветают взятки, коррупция и вымогательство.
Хотя, в высоковольтных тоже, но там счет на миллионы и обычных физических лиц это как бы мало интересует.
Хотя, в высоковольтных тоже, но там счет на миллионы и обычных физических лиц это как бы мало интересует.
- артур с
- Прописан на semerka.info
- Сообщения: 18512
- Зарегистрирован: Сб сен 24, 2011 16:37:11
- Модель авто: Volkswagen Jetta очередная 1989 г.р.
- Тип двигателя: Карбюраторный
- Откуда: 47
- Благодарил (а): 1364 раза
- Поблагодарили: 1232 раза
Re: Электрофлудилка - II
да нет конечно Антоха--это низковольтники---высокие свои темы делают им мелочуга не нужна....там и з\п своя нормальнаяАнтон80 писал(а):Я бы уточнил. Есть высоковольтные сети, а есть распредсети, это от 10 кВ и ниже. Вот тут процветают взятки, коррупция и вымогательство.
Хотя, в высоковольтных тоже, но там счет на миллионы и обычных физических лиц это как бы мало интересует.
а эти блин ну все опломбировали капец....счетчик-автомат на доме...хорошо еще SV-шку не пломбиркуют--ну ясен пень туда кто полезет то
не ну согласись же да---ограничение нагрузки не означает отработку на малейший коротыш
эти дед и бабка три дня сидели со свечками думали чо за таке....потом говорит кто то дал телефон наш...
вобще это сети должны обязаны менять пробки...говорят первый раз бесплатно ,второй раз 2 тыщи,и т.д. по геом прогресии
блин у меня столько слов лезет в их адрес капец
ну короче утречком мы поменяли им пробку заряженую поставили хрен отличишь
бабулька грит -чо должна---я грю сходи бабулька в пятерочку через дорогу купи два пакетика кофе растворимова---мы с Витьком попьем и поедем
Добавлено спустя 7 часов 53 минуты 25 секунд:
господа,хотел спросить по теории---вот подьездный щит на площадке...в нем три счетчика на квартиры......фазы от стояка приходят ---уходят на автоматы отходящие...А НУЛИ ВСЕ ОТХОДЯЩИЕ ПРИКРУЧЕНЫ К КОРПУСУ ЩИТА
возможны ли погрешности в показаниях счетчиков из за этого
вроде ж щас современные счетчики считают и по нулю отходящему тоже
хозяева жалуются что уходя где то дня на три--после приходят ---показания немного увеличиваются Добавлено спустя 13 минут 23 секунды:
то есть грубо говоря--мой ноль -это твой ноль---все люди братья----все в кучу собрано все отходящие нули
Добавлено спустя 10 минут 34 секунды:
вроде в старых счетчиках два правых нулевых контакта были зашунтированы и на показания не влияли---поэтому можно было обманку сделать только через два левых и все
а щас все четыре контакта в работе
- Буйный
- Генерал автомобильных войск semerka.info

- Сообщения: 42236
- Зарегистрирован: Чт дек 11, 2008 17:11:37
- Модель авто: Приора-универсал. Был весь ряд «классики».
- Тип двигателя: Инжекторный
- Откуда: Краснодарский край, г.Хадыженск
- Благодарил (а): 2724 раза
- Поблагодарили: 5099 раз
Re: Электрофлудилка - II
Холодильник тоже выключают? Раз так, то пусть вырубают и вводной автомат до кучи.артур с писал(а):хозяева жалуются что уходя где то дня на три--после приходят ---показания немного увеличиваютс
- артур с
- Прописан на semerka.info
- Сообщения: 18512
- Зарегистрирован: Сб сен 24, 2011 16:37:11
- Модель авто: Volkswagen Jetta очередная 1989 г.р.
- Тип двигателя: Карбюраторный
- Откуда: 47
- Благодарил (а): 1364 раза
- Поблагодарили: 1232 раза
Re: Электрофлудилка - II
АВТОМАТЫ ВЫКЛЮЧАЮТ!!!!!!!!!!!!!!!!!!!!!!!!!!!!!!!!!!!!...в холодильнике там ничо нету...хата не особо жилая...пока просто купили и все не обставлена...свет ,телек,холодильник и всеБуйный писал(а):Холодильник тоже выключают? Раз так, то пусть вырубают и вводной автомат до кучи.артур с писал(а):хозяева жалуются что уходя где то дня на три--после приходят ---показания немного увеличиваютс
то есть ты считаешь так и должно быть---нули могут быть все в куче??????????Иван64 писал(а):Артур, у всех счетчиков есть не большой самоход, даже у электронных
ладно сегодня приборчиком померю ток на нуле при отключеном ихнем автомате
- артур с
- Прописан на semerka.info
- Сообщения: 18512
- Зарегистрирован: Сб сен 24, 2011 16:37:11
- Модель авто: Volkswagen Jetta очередная 1989 г.р.
- Тип двигателя: Карбюраторный
- Откуда: 47
- Благодарил (а): 1364 раза
- Поблагодарили: 1232 раза
Re:
на корпусе щита редко видел...в основном отходящий ноль от счетчика соеденяется с групповыми нулями через шину...каждой квартире своя шинаИван64 писал(а):Артур, ноли всегда все в куче. На одной шине, корпусе щита это тоже куча. Розетки проверь, может соседи подключились где. У меня попадала так...
да и хрен с ними---ничо не стал я мерять--впадлу было спускатся с 5 этажа к машине за приборчиком....соеденил отходящий ноль через шину и все...а остальные пусть так и остаются как было
устал я чего то
- X-TAZ
- Гуру теплотехники :)
- Сообщения: 22028
- Зарегистрирован: Вс окт 10, 2010 18:36:03
- Модель авто: ваз-2105, 1985 г.в. БСЗ, бензин. 5 лет на зимней резине катал не снимая!!! уже снял.
- Тип двигателя: Карбюраторный
- Откуда: Днепр. обл
- Благодарил (а): 2975 раз
- Поблагодарили: 883 раза
- Контактная информация:
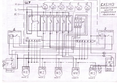
Я ща вам свою схемку покажу, нарисованную вчера вночи. Это этот щит управления насосами. Да- там налепил я. Надо было побольше листик брать штоле. Ну ничё- и так прокатит! Я ж не должен им профессиональный проект сделать, а так- схемку. Зацените штоле.
Добавлено спустя 21 минуту 12 секунд:
Re: Электрофлудилка - II
ап
Добавлено спустя 21 минуту 12 секунд:
Re: Электрофлудилка - II
ап
- артур с
- Прописан на semerka.info
- Сообщения: 18512
- Зарегистрирован: Сб сен 24, 2011 16:37:11
- Модель авто: Volkswagen Jetta очередная 1989 г.р.
- Тип двигателя: Карбюраторный
- Откуда: 47
- Благодарил (а): 1364 раза
- Поблагодарили: 1232 раза
Re: Электрофлудилка - II
автоматы вверх ногами нарисованы...открывашка снизу должна быть...вроде
Добавлено спустя 37 секунд:
и ампеража автомата нету
Добавлено спустя 1 минуту 32 секунды:
двух полюсник на вводе не так рисуется а с двумя палками вроде один автомат...а у тебя два отдельно
Добавлено спустя 37 секунд:
и ампеража автомата нету
Добавлено спустя 1 минуту 32 секунды:
двух полюсник на вводе не так рисуется а с двумя палками вроде один автомат...а у тебя два отдельно
- X-TAZ
- Гуру теплотехники :)
- Сообщения: 22028
- Зарегистрирован: Вс окт 10, 2010 18:36:03
- Модель авто: ваз-2105, 1985 г.в. БСЗ, бензин. 5 лет на зимней резине катал не снимая!!! уже снял.
- Тип двигателя: Карбюраторный
- Откуда: Днепр. обл
- Благодарил (а): 2975 раз
- Поблагодарили: 883 раза
- Контактная информация:
- артур с
- Прописан на semerka.info
- Сообщения: 18512
- Зарегистрирован: Сб сен 24, 2011 16:37:11
- Модель авто: Volkswagen Jetta очередная 1989 г.р.
- Тип двигателя: Карбюраторный
- Откуда: 47
- Благодарил (а): 1364 раза
- Поблагодарили: 1232 раза
Re: Электрофлудилка - II
а так отдай им и все...один хрен ничо не поймут 
Добавлено спустя 57 секунд:
Добавлено спустя 57 секунд:
эт чо эт за тут а за капризыX-TAZ писал(а):нибуду перерисовывать!артур с писал(а):автоматы вверх ногами нарисованы
- X-TAZ
- Гуру теплотехники :)
- Сообщения: 22028
- Зарегистрирован: Вс окт 10, 2010 18:36:03
- Модель авто: ваз-2105, 1985 г.в. БСЗ, бензин. 5 лет на зимней резине катал не снимая!!! уже снял.
- Тип двигателя: Карбюраторный
- Откуда: Днепр. обл
- Благодарил (а): 2975 раз
- Поблагодарили: 883 раза
- Контактная информация:
Re: Электрофлудилка - II
согласен! они вобшще гвоорят шо всёравно будут вызывать только меня! а я грю шо всяко бывает - заболею чи шо... не смогу приехать, а шото не пашет - так надо шоб ктото смог разобраться!артур с писал(а):а так отдай им и все...один хрен ничо не поймут
- Антон80
- Модератор

- Сообщения: 47861
- Зарегистрирован: Сб окт 09, 2010 15:16:45
- Модель авто: Chevrolet AVEO 2005, 1.5
- Тип двигателя: Инжекторный
- Откуда: Украина, Кременчуг
- Благодарил (а): 1517 раз
- Поблагодарили: 3794 раза
Re: Электрофлудилка - II
Число поставь, подпись, объект напиши. Поверь, когда-то в будущем, возможно даже и далеком, это может пригодиться. Может даже и тебе.
- Буйный
- Генерал автомобильных войск semerka.info

- Сообщения: 42236
- Зарегистрирован: Чт дек 11, 2008 17:11:37
- Модель авто: Приора-универсал. Был весь ряд «классики».
- Тип двигателя: Инжекторный
- Откуда: Краснодарский край, г.Хадыженск
- Благодарил (а): 2724 раза
- Поблагодарили: 5099 раз
Re: Электрофлудилка - II
.. и ФИО с телефоном. Налоговая будет рада.Антон80 писал(а):Число поставь, подпись, объект напиши.
- Антон80
- Модератор

- Сообщения: 47861
- Зарегистрирован: Сб окт 09, 2010 15:16:45
- Модель авто: Chevrolet AVEO 2005, 1.5
- Тип двигателя: Инжекторный
- Откуда: Украина, Кременчуг
- Благодарил (а): 1517 раз
- Поблагодарили: 3794 раза
Re: Электрофлудилка - II
Ну, подпись можно не ставить.
Через 10 лет уже и не вспомнишь, делалось это 5 лет назад или 15. И схема может оказаться где угодно. Хоть ясно будет, что на ней.
Через 10 лет уже и не вспомнишь, делалось это 5 лет назад или 15. И схема может оказаться где угодно. Хоть ясно будет, что на ней.
- X-TAZ
- Гуру теплотехники :)
- Сообщения: 22028
- Зарегистрирован: Вс окт 10, 2010 18:36:03
- Модель авто: ваз-2105, 1985 г.в. БСЗ, бензин. 5 лет на зимней резине катал не снимая!!! уже снял.
- Тип двигателя: Карбюраторный
- Откуда: Днепр. обл
- Благодарил (а): 2975 раз
- Поблагодарили: 883 раза
- Контактная информация:
Re: Электрофлудилка - II
Поставлю только номер страницы на схеме. Делаю журнальчик. Там будут схемки, эскизы и описание системы. Сзади типа запись по техобслуживанию и ремонту. Дата будет вначале на титульном листе .
- артур с
- Прописан на semerka.info
- Сообщения: 18512
- Зарегистрирован: Сб сен 24, 2011 16:37:11
- Модель авто: Volkswagen Jetta очередная 1989 г.р.
- Тип двигателя: Карбюраторный
- Откуда: 47
- Благодарил (а): 1364 раза
- Поблагодарили: 1232 раза
Re: Электрофлудилка - II
ну я конечно 15 не знаю...но все кто делал я если чо звонят напоминают о себе кто да че---еду к ним и по ходу вспоминаю что да этот обьект я делал---причем вызовы то --лампочка сгорела---автомат выбило или вилка коротнула от этой фигни чо бабы волосы сушат---автомат выбилоАнтон80 писал(а):Ну, подпись можно не ставить.
Через 10 лет уже и не вспомнишь, делалось это 5 лет назад или 15. И схема может оказаться где угодно. Хоть ясно будет, что на ней.
суть не в этом--суть в отношении с людьми---с людьми надо уметь общатся
"разговаривая с людьми всегда улыбайся" (Глеб Жиглов)
Добавлено спустя 13 минут 32 секунды:
ой да нужны мы кому сто лет...о тоже мне...бизнесмены скрывающие доходБуйный писал(а):.. и ФИО с телефоном. Налоговая будет рада.Антон80 писал(а):Число поставь, подпись, объект напиши.
просто не надо лезть в такие места где может жахнуть налоговая....чуйка должна быть наверно или просто судьба----вон я когда бухал как то сантехник наш который все фаловал меня на обьект в русско-высоцком так влетел---но он влетел не за это а за незаконную рекламу типа...причемали его придурка менты.. на 10 тыщ....как так можно то быть таким охламоном то...взять и тупо отдать ментам кровные 10 тыщ
Кто сейчас на конференции
Сейчас этот форум просматривают: нет зарегистрированных пользователей и 15 гостей
