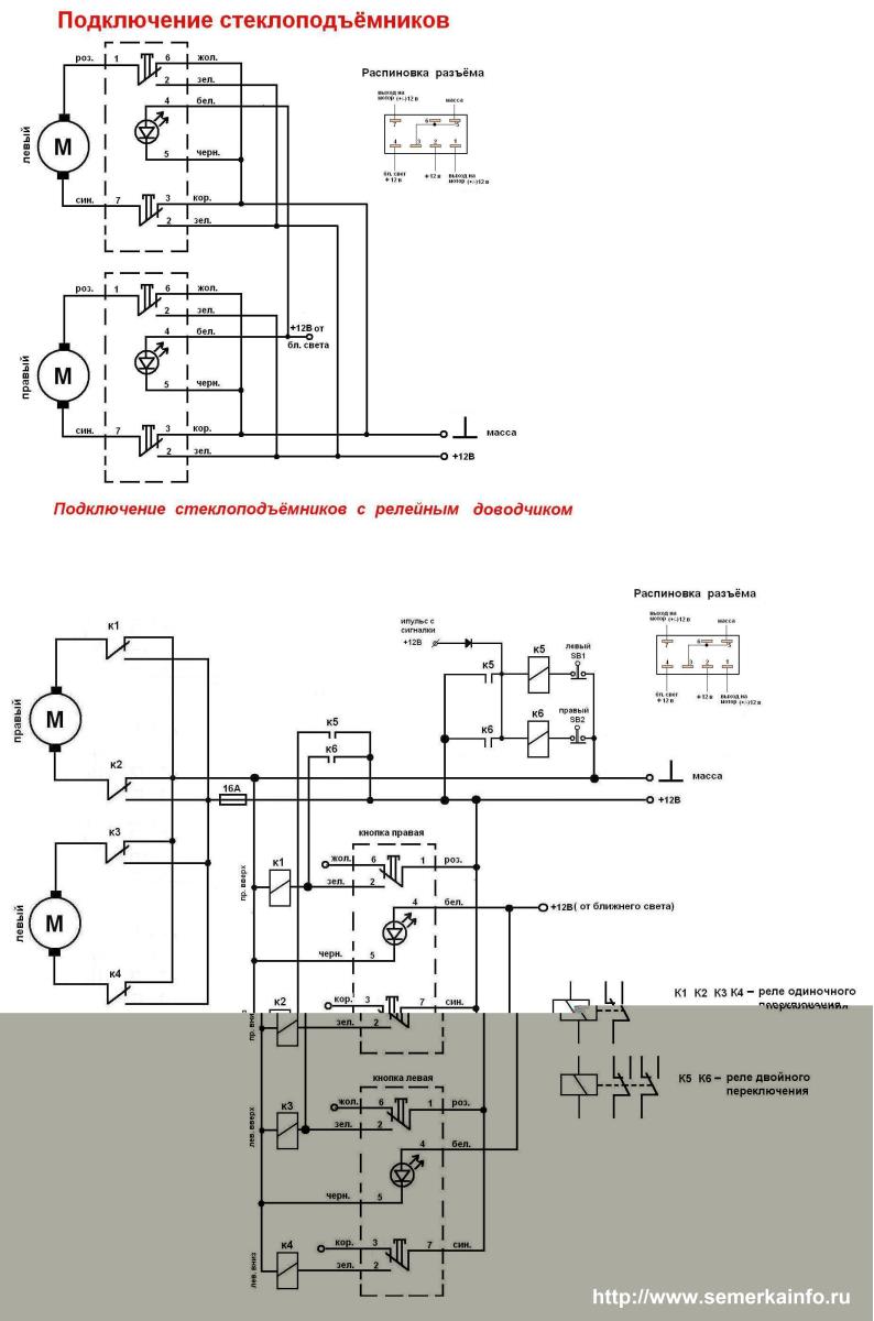
В общем малость накосячил и стекла стоят с перекосом Сегодня не было возможность довести до ума механику; нужно пересверлить отверстия снизу, а по понедельникам в гараже свет отсутствует
Пассажирская дверь выглядит так, пока... Кнопки в водительской двери, вид изнутри(снаружи забыл зафотать) Ну и как провода заходят из пассажирской, бардачек снят P.S. завтра доделаю, нафоткаю еще и постараюсь в отдельной теме описать весь процесс.





