1. какой тип замка зажигания устанавливается на ИНЖЕВЫЕ 21054 и 21074?
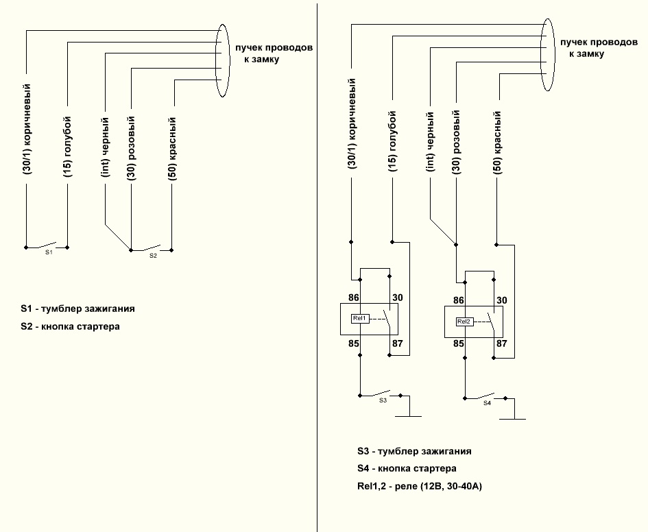
2. распиновку контактной группы ЗЗ.
3. Какие контакты замыкаются при разных положениях ключа зажигания?
4. можно ли вапще обойтись без замка зажигания поставив мощный тумблер типа "все выключено - все включено"?
ЗЫ: пацанчег-сосед заинтерисовался сиим вопросом т.к хочет сделать пуск авто с кнопки


