Новый гена не дешёвый. А так что бы при включении галогенок 2-х шт по 50 Вт каждая. Зарядка не падала.zombie177rus писал(а):Зачем это всё?Возьми хотя бы 2108 гену.
Все вопросы про ГЕНЕРАТОР 2.
- strizh-sasha
- Начинающий классиковод

- Сообщения: 143
- Зарегистрирован: Вт сен 11, 2012 18:57:55
- Модель авто: ваз 21074, 1600 , 5- ст.
- Тип двигателя: Карбюраторный
- Откуда: Домодедово, Московская область
- Благодарил (а): 31 раз
Re: Все вопросы про ГЕНЕРАТОР 2.
- JET
- Прописан на semerka.info
- Сообщения: 8309
- Зарегистрирован: Чт дек 18, 2008 13:38:18
- Модель авто: BOGDAN 21104
- Тип двигателя: Инжекторный
- Откуда: СССР
- Благодарил (а): 253 раза
- Поблагодарили: 639 раз
- Контактная информация:
Re: Все вопросы про ГЕНЕРАТОР 2.
strizh-sasha писал(а):Возможно увеличить мощность гены?
Если поставишь все потроха от 37.3701 (гена для 08)
По стоимости соизмеримо с покупкой нового генера.
- JET
- Прописан на semerka.info
- Сообщения: 8309
- Зарегистрирован: Чт дек 18, 2008 13:38:18
- Модель авто: BOGDAN 21104
- Тип двигателя: Инжекторный
- Откуда: СССР
- Благодарил (а): 253 раза
- Поблагодарили: 639 раз
- Контактная информация:
Re: Все вопросы про ГЕНЕРАТОР 2.
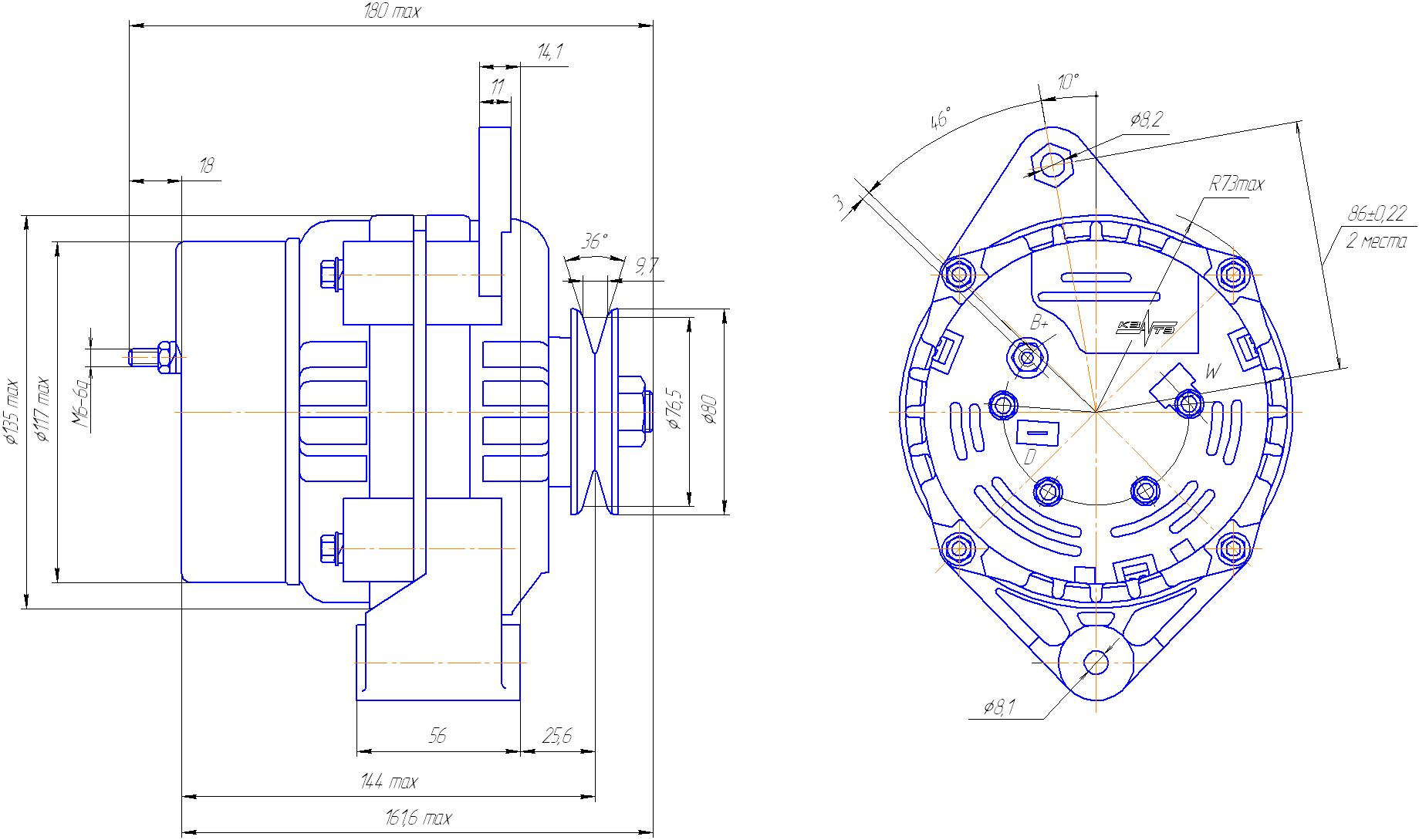
Поставь 9412.3701 (80А) или 372.3701-03 (73А) и забудешь о недозаряде.strizh-sasha писал(а): А так что бы при включении галогенок 2-х шт по 50 Вт каждая. Зарядка не падала.
В первом случае нужно менять кронштейн и планку натяжную, во втором встаёт как родной без переделок.
Г222 слабый генер.
-
zombie177rus
- Вечная Память!

- Сообщения: 12668
- Зарегистрирован: Чт окт 27, 2011 13:50:40
- Модель авто: ВАЗ2107,много не сток
- Тип двигателя: Инжекторный
- Откуда: Москва
- Благодарил (а): 90 раз
- Поблагодарили: 1275 раз
Re: Все вопросы про ГЕНЕРАТОР 2.
Не надо 372....Если сорвать наклейки,не отличишь его от 2108.Моё мнение:кто-то с этими генами что-то бодяжит
.
- strizh-sasha
- Начинающий классиковод

- Сообщения: 143
- Зарегистрирован: Вт сен 11, 2012 18:57:55
- Модель авто: ваз 21074, 1600 , 5- ст.
- Тип двигателя: Карбюраторный
- Откуда: Домодедово, Московская область
- Благодарил (а): 31 раз
Re: Все вопросы про ГЕНЕРАТОР 2.
Если поставить 9412.3701 (80А). Вопрос. Что нужно поменять статор, ротор, рр. И всё ? Корпус, можно не менять?JET писал(а):Поставь 9412.3701 (80А) или 372.3701-03 (73А) и забудешь о недозаряде.strizh-sasha писал(а): А так что бы при включении галогенок 2-х шт по 50 Вт каждая. Зарядка не падала.
В первом случае нужно менять кронштейн и планку натяжную, во втором встаёт как родной без переделок.
Г222 слабый генер.
- JET
- Прописан на semerka.info
- Сообщения: 8309
- Зарегистрирован: Чт дек 18, 2008 13:38:18
- Модель авто: BOGDAN 21104
- Тип двигателя: Инжекторный
- Откуда: СССР
- Благодарил (а): 253 раза
- Поблагодарили: 639 раз
- Контактная информация:
Re: Все вопросы про ГЕНЕРАТОР 2.
9412 полностью конструктивно онтличен от Г222 и генеров 37 серии.strizh-sasha писал(а):Если поставить 9412.3701 (80А). Вопрос. Что нужно поменять статор, ротор, рр. И всё ? Корпус, можно не менять?
37-й
94-й Только покупка генера всборе.
Тема о 80А генере вот http://www.semerka.info/forum/viewtopic.php?f=14&t=55
- strizh-sasha
- Начинающий классиковод

- Сообщения: 143
- Зарегистрирован: Вт сен 11, 2012 18:57:55
- Модель авто: ваз 21074, 1600 , 5- ст.
- Тип двигателя: Карбюраторный
- Откуда: Домодедово, Московская область
- Благодарил (а): 31 раз
Re: Все вопросы про ГЕНЕРАТОР 2.
А этот гена подходит по креплению к нашим ДВС ?JET писал(а): Только покупка генера всборе.
Тема о 80А генере вот http://www.semerka.info/forum/viewtopic.php?f=14&t=55
- JET
- Прописан на semerka.info
- Сообщения: 8309
- Зарегистрирован: Чт дек 18, 2008 13:38:18
- Модель авто: BOGDAN 21104
- Тип двигателя: Инжекторный
- Откуда: СССР
- Благодарил (а): 253 раза
- Поблагодарили: 639 раз
- Контактная информация:
Re: Все вопросы про ГЕНЕРАТОР 2.
Да, вся 37 серия подходит.strizh-sasha писал(а):А этот гена подходит по креплению к нашим ДВС ?
- strizh-sasha
- Начинающий классиковод

- Сообщения: 143
- Зарегистрирован: Вт сен 11, 2012 18:57:55
- Модель авто: ваз 21074, 1600 , 5- ст.
- Тип двигателя: Карбюраторный
- Откуда: Домодедово, Московская область
- Благодарил (а): 31 раз
Re: Все вопросы про ГЕНЕРАТОР 2.
Мужики привет ! Пишу всем на заметку, купил статор в Домодедово на гену Г222 за 410р. По цене не прогадайте.
- D.I.M.A.R.
- Модератор

- Сообщения: 4551
- Зарегистрирован: Пн янв 18, 2010 11:57:23
- Модель авто: Granta liftback 2014 1,6 16V (21127) "черный трюфель"; была 21053
- Тип двигателя: Инжекторный
- Откуда: Санкт-Петербург
- Благодарил (а): 299 раз
- Поблагодарили: 624 раза
Re: Все вопросы про ГЕНЕРАТОР 2.
действительно зря замутил ремонт Г222. Он рассчитан был на советские автомобили типа 2101, где мало потребителей и когда не было никаких городских пробок и генератор все время работал на оборотах своей максимальной мощности, сейчас другие потребности, например новый пункт ПДД - включенный всегда ближний или ПТФ, дхо... Еще куча других приборов.strizh-sasha писал(а):Мужики привет ! Пишу всем на заметку, купил статор в Домодедово на гену Г222 за 410р. По цене не прогадайте.
полноценной зарядки АКБ не будет. (Будет если только ездить всегда по трассе и продолжительное время).
У меня 55А 372.3701 иногда чувствуется его слабина, особенно на низких оборотах. Хорошо если бы был шкив меньшего диаметра.
это точно, ротор и статор в продажу в магазины не поступают (в Питере нигде не нашел) только на авторынках/разборках по каким-то безумным ценам ротор~1000р., стотор стока же, + подшипники, РН, ДМ может быть (итого под 3000). Еще эти болты дурацкие которые расклеппанные для контровкиJET писал(а):Если поставишь все потроха от 37.3701 (гена для 08)По стоимости соизмеримо с покупкой нового генера.
- VVB
- Коренной форумчанин :)
- Сообщения: 4303
- Зарегистрирован: Вс ноя 27, 2011 12:37:32
- Модель авто: ваз 2107 (2005 г.), генератор 372.3701, карбюратор ДААЗ 2107-1107010
- Тип двигателя: Карбюраторный
- Откуда: г. Тула
- Благодарил (а): 279 раз
- Поблагодарили: 733 раза
Re: Все вопросы про ГЕНЕРАТОР 2.
в Туле в магазинах есть. Ротор - 1000 руб. Статор - 500 руб.D.I.M.A.R. писал(а):...ротор и статор в продажу в магазины не поступают (в Питере нигде не нашел)...
Китайский генератор в Туле стоит - 2500 руб.
Русский (Катэк) - 3500 руб.
Всё таки, если ротор и статор брать - дешевле будет.
- strizh-sasha
- Начинающий классиковод

- Сообщения: 143
- Зарегистрирован: Вт сен 11, 2012 18:57:55
- Модель авто: ваз 21074, 1600 , 5- ст.
- Тип двигателя: Карбюраторный
- Откуда: Домодедово, Московская область
- Благодарил (а): 31 раз
Re: Все вопросы про ГЕНЕРАТОР 2.
Да, согласен что слабоват. Пока лаве нет. А без гены не погоняешь. На днях появится лаве, думаю, купить 2110 на 105А. Кстати видел гену, точно не помню 2110 или 2121 за 3900т.р (не помню Амперы) и есть на газель 2700т.р (75А). Крепления вроде такие же как на 2110. Если газелевский то по мощнее поискать надо.D.I.M.A.R. писал(а):действительно зря замутил ремонт Г222. Он рассчитан был на советские автомобили типа 2101, где мало потребителей и когда не было никаких городских пробок и генератор все время работал на оборотах своей максимальной мощности, сейчас другие потребности, например новый пункт ПДД - включенный всегда ближний или ПТФ, дхо... Еще куча других приборов.strizh-sasha писал(а):Мужики привет ! Пишу всем на заметку, купил статор в Домодедово на гену Г222 за 410р. По цене не прогадайте.
полноценной зарядки АКБ не будет. (Будет если только ездить всегда по трассе и продолжительное время).
У меня 55А 372.3701 иногда чувствуется его слабина, особенно на низких оборотах. Хорошо если бы был шкив меньшего диаметра.
это точно, ротор и статор в продажу в магазины не поступают (в Питере нигде не нашел) только на авторынках/разборках по каким-то безумным ценам ротор~1000р., стотор стока же, + подшипники, РН, ДМ может быть (итого под 3000). Еще эти болты дурацкие которые расклеппанные для контровкиJET писал(а):Если поставишь все потроха от 37.3701 (гена для 08)По стоимости соизмеримо с покупкой нового генера., ремкомплектов не нашел, хотя бывалые автовладельцы убедили что раньше продавались вместе с пластинами прижимными.
- strizh-sasha
- Начинающий классиковод

- Сообщения: 143
- Зарегистрирован: Вт сен 11, 2012 18:57:55
- Модель авто: ваз 21074, 1600 , 5- ст.
- Тип двигателя: Карбюраторный
- Откуда: Домодедово, Московская область
- Благодарил (а): 31 раз
Re: Все вопросы про ГЕНЕРАТОР 2.
Мужики а может поставить шкив другой, родной 79 мм. Меньшим диаметром, только не знаю от какого.
-
zombie177rus
- Вечная Память!

- Сообщения: 12668
- Зарегистрирован: Чт окт 27, 2011 13:50:40
- Модель авто: ВАЗ2107,много не сток
- Тип двигателя: Инжекторный
- Откуда: Москва
- Благодарил (а): 90 раз
- Поблагодарили: 1275 раз
- Medved@790
- Модератор

- Сообщения: 20024
- Зарегистрирован: Пн янв 04, 2010 4:58:37
- Модель авто: Lada Vesta SW Cross 1,8MT 2018г.в.
- Тип двигателя: Инжекторный
- Откуда: Тобольск
- Благодарил (а): 859 раз
- Поблагодарили: 1446 раз
- Контактная информация:
Re: Все вопросы про ГЕНЕРАТОР 2.
ребят, не проще взять любой генер за 500р на разборке и откапиталить его? Зачем писать сколько новый стоит? Я лично так и сделал, так же мне и знакомый посоветовал чем новый брать, вкорячить можно любой переднеприводный генер
-
zombie177rus
- Вечная Память!

- Сообщения: 12668
- Зарегистрирован: Чт окт 27, 2011 13:50:40
- Модель авто: ВАЗ2107,много не сток
- Тип двигателя: Инжекторный
- Откуда: Москва
- Благодарил (а): 90 раз
- Поблагодарили: 1275 раз
- strizh-sasha
- Начинающий классиковод

- Сообщения: 143
- Зарегистрирован: Вт сен 11, 2012 18:57:55
- Модель авто: ваз 21074, 1600 , 5- ст.
- Тип двигателя: Карбюраторный
- Откуда: Домодедово, Московская область
- Благодарил (а): 31 раз
Re: Все вопросы про ГЕНЕРАТОР 2.
Всякую х... себе ставь и по 10 раз капиталь. А форум для того и нужен что бы советоваться.Medved@790 писал(а):ребят, не проще взять любой генер за 500р на разборке и откапиталить его? Зачем писать сколько новый стоит? Я лично так и сделал, так же мне и знакомый посоветовал чем новый брать, вкорячить можно любой переднеприводный генер
- strizh-sasha
- Начинающий классиковод

- Сообщения: 143
- Зарегистрирован: Вт сен 11, 2012 18:57:55
- Модель авто: ваз 21074, 1600 , 5- ст.
- Тип двигателя: Карбюраторный
- Откуда: Домодедово, Московская область
- Благодарил (а): 31 раз
Re: Все вопросы про ГЕНЕРАТОР 2.
Мужики всё поставил. Работает нармально стрелка зарядки на ХХ ровно посередине, на 2000 об в конце зелёной зоны.
- Medved@790
- Модератор

- Сообщения: 20024
- Зарегистрирован: Пн янв 04, 2010 4:58:37
- Модель авто: Lada Vesta SW Cross 1,8MT 2018г.в.
- Тип двигателя: Инжекторный
- Откуда: Тобольск
- Благодарил (а): 859 раз
- Поблагодарили: 1446 раз
- Контактная информация:
Re: Все вопросы про ГЕНЕРАТОР 2.
strizh-sasha
а ты нормально не пытался разговаривать? я тебе грубил? года четыре у меня пашет, подшипники только в этом году поменял и то зря как выяснилось, шкивы шнива поставил, к твоему сведению эту ху*** дает просадки 0,08В на дальнем свете на хх, и всегда за 14В и при этом акб в багажнике.
выбирай пожалуйста выражение в мой адрес.
а ты нормально не пытался разговаривать? я тебе грубил? года четыре у меня пашет, подшипники только в этом году поменял и то зря как выяснилось, шкивы шнива поставил, к твоему сведению эту ху*** дает просадки 0,08В на дальнем свете на хх, и всегда за 14В и при этом акб в багажнике.
выбирай пожалуйста выражение в мой адрес.
- JET
- Прописан на semerka.info
- Сообщения: 8309
- Зарегистрирован: Чт дек 18, 2008 13:38:18
- Модель авто: BOGDAN 21104
- Тип двигателя: Инжекторный
- Откуда: СССР
- Благодарил (а): 253 раза
- Поблагодарили: 639 раз
- Контактная информация:
Re: Все вопросы про ГЕНЕРАТОР 2.
strizh-sasha писал(а):Мужики всё поставил. Работает нармально
На этом гене так и есть.strizh-sasha писал(а):стрелка зарядки на ХХ ровно посередине, на 2000 об в конце зелёной зоны.
-
Midzuka
- Пешеход

- Сообщения: 2
- Зарегистрирован: Ср июн 13, 2012 18:31:17
- Модель авто: ВАЗ - 2107
- Тип двигателя: Инжекторный
Генератор. Замыкание. Помогите разобраться.
Привет всем. Помогите найти проблему. Генератор перестал заряжать аккумулятор. Мы сняли его, заменили интегральную микросхему, конденсатор, и зарядные щетки на новые. Так же заодно заменили ремень генератора. Поставили все обратно, зарядка на аккумулятор пошла.
На следующий день я поехал утром на работу *зарядка так же отлично шла*, когда я захотел поставить машину на автозапуск *а ставиться она у меня на него так: не заглушая машину, ставлю на ручник, вынимаю ключ зажигания, машина не глушиться, я выхожу из машины и закрываю на сигналку. Все, машина автоматически глушиться и двери закрываются. Автозапуск готов к пуску* поднял ручник, повернул ключ зажигания что бы вынуть, машина заглохла, чего не должно было быть. Попробовал тоже самое сделать еще раз, тоже самое. Ну думаю ладно, пофиг на автозапуск пошел на работу.
После работы я поехал домой и тут началось самое интересное, при печке, музыке и дневном свете аккумулятор снова начал садиться *перед тем как чинить генератор мы погоняли на зарядке аккум. двое суток* и я сразу понял что зарядки на него опять нет... Это одна проблема. Вторая проблема. Когда я приехал домой, я заглушил машину и увидел что индикаторы аккум. и масла горят! Как будто ключ вставлен и повернут на 180 градусов. Я вставил ключ, завел машину значки *аккум. и масла* погасли. Опять заглушил машину, вытащил ключ и значки снова горят. Еще вместе со значками приборы показывают уровень бензина, и температуру двигателя.
Потом загнали в гараж, так и не нашли проблему... Думаем плохие попались конденсатор, и зарядные щетки *новые* но разбирать снова и доставать генератор времени не было. Значки все горят, генератор не подзаряжает аккумулятор. На ночь пришлось доставать аккум. и оставил пока машину так.
Вопрос, где могло произойти замыкание, что при заглушенной машине, и вынутом ключе индикаторы горят, и приборы бензина и температуры работают?
Заранее спасибо.
ПЕРЕНЕСЕНО
На следующий день я поехал утром на работу *зарядка так же отлично шла*, когда я захотел поставить машину на автозапуск *а ставиться она у меня на него так: не заглушая машину, ставлю на ручник, вынимаю ключ зажигания, машина не глушиться, я выхожу из машины и закрываю на сигналку. Все, машина автоматически глушиться и двери закрываются. Автозапуск готов к пуску* поднял ручник, повернул ключ зажигания что бы вынуть, машина заглохла, чего не должно было быть. Попробовал тоже самое сделать еще раз, тоже самое. Ну думаю ладно, пофиг на автозапуск пошел на работу.
После работы я поехал домой и тут началось самое интересное, при печке, музыке и дневном свете аккумулятор снова начал садиться *перед тем как чинить генератор мы погоняли на зарядке аккум. двое суток* и я сразу понял что зарядки на него опять нет... Это одна проблема. Вторая проблема. Когда я приехал домой, я заглушил машину и увидел что индикаторы аккум. и масла горят! Как будто ключ вставлен и повернут на 180 градусов. Я вставил ключ, завел машину значки *аккум. и масла* погасли. Опять заглушил машину, вытащил ключ и значки снова горят. Еще вместе со значками приборы показывают уровень бензина, и температуру двигателя.
Потом загнали в гараж, так и не нашли проблему... Думаем плохие попались конденсатор, и зарядные щетки *новые* но разбирать снова и доставать генератор времени не было. Значки все горят, генератор не подзаряжает аккумулятор. На ночь пришлось доставать аккум. и оставил пока машину так.
Вопрос, где могло произойти замыкание, что при заглушенной машине, и вынутом ключе индикаторы горят, и приборы бензина и температуры работают?
Заранее спасибо.
ПЕРЕНЕСЕНО
- strizh-sasha
- Начинающий классиковод

- Сообщения: 143
- Зарегистрирован: Вт сен 11, 2012 18:57:55
- Модель авто: ваз 21074, 1600 , 5- ст.
- Тип двигателя: Карбюраторный
- Откуда: Домодедово, Московская область
- Благодарил (а): 31 раз
Re: Все вопросы про ГЕНЕРАТОР 2.
Если все шкивы (3 шт) поменять на 5-ти,6-ти ручейковый. Это возможно !? Что бы потом (в ближайшем будущим) на гене не пришлось менять, оставить тот который будет. Диаметр на гене что бы был меньше 79 мм. Каркас на вентиляторе охлаждения радиатора, мешать не будет ?zombie177rus писал(а):Под обычный ремень меньше я не видел.
-
zombie177rus
- Вечная Память!

- Сообщения: 12668
- Зарегистрирован: Чт окт 27, 2011 13:50:40
- Модель авто: ВАЗ2107,много не сток
- Тип двигателя: Инжекторный
- Откуда: Москва
- Благодарил (а): 90 раз
- Поблагодарили: 1275 раз
- strizh-sasha
- Начинающий классиковод

- Сообщения: 143
- Зарегистрирован: Вт сен 11, 2012 18:57:55
- Модель авто: ваз 21074, 1600 , 5- ст.
- Тип двигателя: Карбюраторный
- Откуда: Домодедово, Московская область
- Благодарил (а): 31 раз
- JET
- Прописан на semerka.info
- Сообщения: 8309
- Зарегистрирован: Чт дек 18, 2008 13:38:18
- Модель авто: BOGDAN 21104
- Тип двигателя: Инжекторный
- Откуда: СССР
- Благодарил (а): 253 раза
- Поблагодарили: 639 раз
- Контактная информация:
Re: Все вопросы про ГЕНЕРАТОР 2.
Смотри в теме рустема и Medved@790. Там есть переход на поликлиновые ремни с заменой шкивов.strizh-sasha писал(а):Если все шкивы (3 шт) поменять на 5-ти,6-ти ручейковый.
Кто сейчас на конференции
Сейчас этот форум просматривают: нет зарегистрированных пользователей и 22 гостя