Панель приборов 3110 Волга в семерке
- ZidanCo
- Водила

- Сообщения: 62
- Зарегистрирован: Вс дек 30, 2012 16:54:12
- Модель авто: ВАЗ 21074, 1.6, MT5, 1993г
- Тип двигателя: Карбюраторный
- Откуда: Магнитогорск
- Благодарил (а): 11 раз
- Поблагодарили: 1 раз
Re: Панель приборов 3110 Волга в семерке
Предположительно 24к.
Трудно разглядеть, о повернут надписями вниз.
Трудно разглядеть, о повернут надписями вниз.
- Avalein
- Водила

- Сообщения: 82
- Зарегистрирован: Чт май 24, 2012 17:09:20
- Модель авто: ВАЗ-21074
- Тип двигателя: Инжекторный
- Откуда: Нижегородская область, с.Вад
- Благодарил (а): 8 раз
Re: Панель приборов 3110 Волга в семерке
Спасибо)ZidanCo писал(а):Предположительно 24к.
Трудно разглядеть, о повернут надписями вниз.
Буду разбираться.
Вроде ещё какую никакую схему надыбал)
- parsons
- Классиковод со стажем

- Сообщения: 463
- Зарегистрирован: Ср мар 24, 2010 22:00:59
- Модель авто: 21074, карб, БСЗ, ДХО, (2005) + Granta 2190, Норма 010, серебро, (2014)
- Тип двигателя: Карбюраторный
- Откуда: Питер
- Благодарил (а): 3 раза
- Поблагодарили: 15 раз
Re: Панель приборов 3110 Волга в семерке
в магазине их великое множество...Avalein писал(а):Если бы знал, не спрашивал)
на вкус и цвет
к сожалению платы могут отличатся в зависимости от модели. ищи схему своего спида и.....Avalein писал(а):Если есть у кого или кто знает, скиньте фото выших спидов, посмотреть хоть, заменить же нужно..
- Avalein
- Водила

- Сообщения: 82
- Зарегистрирован: Чт май 24, 2012 17:09:20
- Модель авто: ВАЗ-21074
- Тип двигателя: Инжекторный
- Откуда: Нижегородская область, с.Вад
- Благодарил (а): 8 раз
Re: Панель приборов 3110 Волга в семерке
Ну вот такая у меня модельparsons писал(а):в магазине их великое множество...Avalein писал(а):Если бы знал, не спрашивал)
на вкус и цвет
к сожалению платы могут отличатся в зависимости от модели. ищи схему своего спида и.....Avalein писал(а):Если есть у кого или кто знает, скиньте фото выших спидов, посмотреть хоть, заменить же нужно..
- Avalein
- Водила

- Сообщения: 82
- Зарегистрирован: Чт май 24, 2012 17:09:20
- Модель авто: ВАЗ-21074
- Тип двигателя: Инжекторный
- Откуда: Нижегородская область, с.Вад
- Благодарил (а): 8 раз
-
BORODA
- Модератор

- Сообщения: 2851
- Зарегистрирован: Ср июл 28, 2010 17:22:14
- Модель авто: ВАЗ 2107 (Электропакет)
- Тип двигателя: Инжекторный
- Откуда: Сыктывкар
- Благодарил (а): 103 раза
- Поблагодарили: 371 раз
Re: Панель приборов 3110 Волга в семерке
Avalein
24 Ом, цепь питания спида. Если 0,25Вт горит, нужно 0,5Вт поставить, проще говоря он размерами побольше.
24 Ом, цепь питания спида. Если 0,25Вт горит, нужно 0,5Вт поставить, проще говоря он размерами побольше.
- Avalein
- Водила

- Сообщения: 82
- Зарегистрирован: Чт май 24, 2012 17:09:20
- Модель авто: ВАЗ-21074
- Тип двигателя: Инжекторный
- Откуда: Нижегородская область, с.Вад
- Благодарил (а): 8 раз
Re: Панель приборов 3110 Волга в семерке
Впаял на 22 Ома, не было на 24BORODA писал(а):Avalein
24 Ом, цепь питания спида. Если 0,25Вт горит, нужно 0,5Вт поставить, проще говоря он размерами побольше.
-
BORODA
- Модератор

- Сообщения: 2851
- Зарегистрирован: Ср июл 28, 2010 17:22:14
- Модель авто: ВАЗ 2107 (Электропакет)
- Тип двигателя: Инжекторный
- Откуда: Сыктывкар
- Благодарил (а): 103 раза
- Поблагодарили: 371 раз
Re: Панель приборов 3110 Волга в семерке
Вообще никак не скажется.Avalein писал(а): надеюсь недостаток в 2 Ома не сильно скажется на работе спидометра?
- Avalein
- Водила

- Сообщения: 82
- Зарегистрирован: Чт май 24, 2012 17:09:20
- Модель авто: ВАЗ-21074
- Тип двигателя: Инжекторный
- Откуда: Нижегородская область, с.Вад
- Благодарил (а): 8 раз
Re: Панель приборов 3110 Волга в семерке
Отлично тогда)BORODA писал(а):Вообще никак не скажется.Avalein писал(а): надеюсь недостаток в 2 Ома не сильно скажется на работе спидометра?
Ребят ещё к вам вопрос, кто размещал бачёк тосола, девяточный.. как вы там его разместили, я сейчас и так и эдак прикидывал, вроде по размеру подходит, а кронштейн воздушного фильтра, шлангу места не даёт.. и вообще как крепить его ещё?
- ZidanCo
- Водила

- Сообщения: 62
- Зарегистрирован: Вс дек 30, 2012 16:54:12
- Модель авто: ВАЗ 21074, 1.6, MT5, 1993г
- Тип двигателя: Карбюраторный
- Откуда: Магнитогорск
- Благодарил (а): 11 раз
- Поблагодарили: 1 раз
Re: Панель приборов 3110 Волга в семерке
Ничего страшного же не будет, если на +12В от белого штатного разъема я подключу питание приборной панели, питание спидометра и питание датчика скорости ?
Или лучше питание датчика скорости пустить в другое место ?
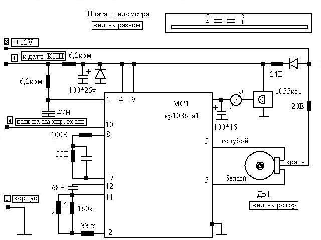
Только сейчас обнаружил, что из приборки вырваны почти все диоды с платы.
На фото выделил места, где вроде как должны они быть, кто может подскажите пожалуйста их номиналы...
И что может случиться, если я без них проверю приборную ?
Или лучше питание датчика скорости пустить в другое место ?
Только сейчас обнаружил, что из приборки вырваны почти все диоды с платы.
На фото выделил места, где вроде как должны они быть, кто может подскажите пожалуйста их номиналы...
И что может случиться, если я без них проверю приборную ?
- Avalein
- Водила

- Сообщения: 82
- Зарегистрирован: Чт май 24, 2012 17:09:20
- Модель авто: ВАЗ-21074
- Тип двигателя: Инжекторный
- Откуда: Нижегородская область, с.Вад
- Благодарил (а): 8 раз
Re: Панель приборов 3110 Волга в семерке
в магазине их великое множество...parsons писал(а):Avalein писал(а):Если бы знал, не спрашивал)
На моём подстроечнике написано 47КМ В 9801. 47КМ это я как понял 47 Килоом,так? А что вот обозначают В 9801, и вообще важно ли это, при замене его на переменник?!
Потому что сегодня проверял спид со стоковым, врёт гад на 20 км..а после 80 на 10.
- www7
- Классиковод со стажем

- Сообщения: 454
- Зарегистрирован: Пн июн 18, 2012 7:31:58
- Модель авто: ВАЗ 2107, 2002 год, ГБО Tomasetto
- Тип двигателя: Карбюраторный
- Откуда: Харьков (UA_21)
- Благодарил (а): 21 раз
- Поблагодарили: 15 раз
Re: Панель приборов 3110 Волга в семерке
Подскажите, плз, вопрос по электрике для чайника:
хочу подключить датчики на бачках. Я как-то спрашивал откуда лучше взять 12в - мне отвечали что с оранжевого после замка зажигания. Но приборка хочет "минус" от датчиков.
отсюда несколько вопросов:
1. зачем вести провода "+" к оранжевому в салон? Может под капотом лучше где-то отыскать? ГДЕ?
2. А провод минус должен быть один конец на датчике, а другой конец в приборку? или нужно еще в дополнение "хвостик" от датчика на кузов куда-нить?
сорри за тупые вопросы, но теоретическую электрику не осилил :(
хочу подключить датчики на бачках. Я как-то спрашивал откуда лучше взять 12в - мне отвечали что с оранжевого после замка зажигания. Но приборка хочет "минус" от датчиков.
отсюда несколько вопросов:
1. зачем вести провода "+" к оранжевому в салон? Может под капотом лучше где-то отыскать? ГДЕ?
2. А провод минус должен быть один конец на датчике, а другой конец в приборку? или нужно еще в дополнение "хвостик" от датчика на кузов куда-нить?
сорри за тупые вопросы, но теоретическую электрику не осилил :(
- ZidanCo
- Водила

- Сообщения: 62
- Зарегистрирован: Вс дек 30, 2012 16:54:12
- Модель авто: ВАЗ 21074, 1.6, MT5, 1993г
- Тип двигателя: Карбюраторный
- Откуда: Магнитогорск
- Благодарил (а): 11 раз
- Поблагодарили: 1 раз
Re: Панель приборов 3110 Волга в семерке
Проверил. На удивление практически все заработало с первого раза.ZidanCo писал(а):Ничего страшного же не будет, если на +12В от белого штатного разъема я подключу питание приборной панели, питание спидометра и питание датчика скорости ?
Или лучше питание датчика скорости пустить в другое место ?
Только сейчас обнаружил, что из приборки вырваны почти все диоды с платы.
На фото выделил места, где вроде как должны они быть, кто может подскажите пожалуйста их номиналы...
И что может случиться, если я без них проверю приборную ?
1) Как и предполагал лампа дальнего света на приборной не загорается.
2) Для возбуждения генератора приходится давать около 4000 оборотов, только тогда генератор оживает. За это как раз по моему должен отвечать большой резистор в правой части платы, у меня то его и нет. Узнать бы его номинал.
3) Стрелка уровня топлива ну оочень медленно поднимается при включении зажигания, и опускается при выключении. Так и должно быть ?) Вот тут видно http://youtu.be/Ai3ECdXobyU
4) Лампа STOP - я ее не подключал даже, а она горит
- parsons
- Классиковод со стажем

- Сообщения: 463
- Зарегистрирован: Ср мар 24, 2010 22:00:59
- Модель авто: 21074, карб, БСЗ, ДХО, (2005) + Granta 2190, Норма 010, серебро, (2014)
- Тип двигателя: Карбюраторный
- Откуда: Питер
- Благодарил (а): 3 раза
- Поблагодарили: 15 раз
Re: Панель приборов 3110 Волга в семерке
Avalein писал(а): 47КМ это я как понял 47 Килоом,так?
А что вот обозначают В 9801, и вообще важно ли это
неважно...
- parsons
- Классиковод со стажем

- Сообщения: 463
- Зарегистрирован: Ср мар 24, 2010 22:00:59
- Модель авто: 21074, карб, БСЗ, ДХО, (2005) + Granta 2190, Норма 010, серебро, (2014)
- Тип двигателя: Карбюраторный
- Откуда: Питер
- Благодарил (а): 3 раза
- Поблагодарили: 15 раз
Re: Панель приборов 3110 Волга в семерке
сам то понял что спросил?www7 писал(а):2. А провод минус должен быть один конец на датчике, а другой конец в приборку? или нужно еще в дополнение "хвостик" от датчика на кузов куда-нить?
скока клемм на датчике? 2? вот и пусти через датчик на массу...раз ЁЁ приборка хочет
- parsons
- Классиковод со стажем

- Сообщения: 463
- Зарегистрирован: Ср мар 24, 2010 22:00:59
- Модель авто: 21074, карб, БСЗ, ДХО, (2005) + Granta 2190, Норма 010, серебро, (2014)
- Тип двигателя: Карбюраторный
- Откуда: Питер
- Благодарил (а): 3 раза
- Поблагодарили: 15 раз
Re: Панель приборов 3110 Волга в семерке
ZidanCo писал(а): 2) Для возбуждения генератора приходится давать около 4000 оборотов, только тогда генератор оживает. За это как раз по моему должен отвечать большой резистор в правой части платы, у меня то его и нет. Узнать бы его номинал.
у мя их 2, номинал не помню...
ZidanCo писал(а):3) Стрелка уровня топлива ну оочень медленно поднимается при включении зажигания, и опускается при выключении. Так и должно быть ?
горит при ручнике, уровни жидкости, зажигании и вроде зарядка аккума( не уверен).ZidanCo писал(а): 4) Лампа STOP - я ее не подключал даже, а она горит
- www7
- Классиковод со стажем

- Сообщения: 454
- Зарегистрирован: Пн июн 18, 2012 7:31:58
- Модель авто: ВАЗ 2107, 2002 год, ГБО Tomasetto
- Тип двигателя: Карбюраторный
- Откуда: Харьков (UA_21)
- Благодарил (а): 21 раз
- Поблагодарили: 15 раз
Re: Панель приборов 3110 Волга в семерке
Ладно...второй вопрос был уж очень туповат
А вот этот до сих пор интресует
А вот этот до сих пор интресует
www7 писал(а):Но приборка хочет "минус" от датчиков.
отсюда несколько вопросов:
1. зачем вести провода "+" к оранжевому в салон? Может под капотом лучше где-то отыскать? ГДЕ?
- Йожык
- Модератор

- Сообщения: 48823
- Зарегистрирован: Пн окт 03, 2011 18:00:04
- Модель авто: Honda Civic IX
- Тип двигателя: Инжекторный
- Откуда: Уфа
- Благодарил (а): 1179 раз
- Поблагодарили: 2380 раз
Re: Панель приборов 3110 Волга в семерке
Да, STOP работает вместе с лампой ручника/тормозухи, лампой давления масла, лампой генератора - если хотя бы одна из них горит.parsons писал(а):горит при ручнике, уровни жидкости, зажигании и вроде зарядка аккума( не уверен).ZidanCo писал(а): 4) Лампа STOP - я ее не подключал даже, а она горит
- Avalein
- Водила

- Сообщения: 82
- Зарегистрирован: Чт май 24, 2012 17:09:20
- Модель авто: ВАЗ-21074
- Тип двигателя: Инжекторный
- Откуда: Нижегородская область, с.Вад
- Благодарил (а): 8 раз
Re: Панель приборов 3110 Волга в семерке
К датчику низкого уровня тормозной жидкости - В ВАЗовской проводке сигнал с поплавка идет плюс, а в волговской нужен минус. Т.к. поплавок служит как бы выключателем в цепи плюс – лампочка, то плюсовой провод был отрезан и заизолирован, а на его место была создана цепь: минус – поплавок – лампочка.
Как это реализовать, так и не понял?
Как это реализовать, так и не понял?
- parsons
- Классиковод со стажем

- Сообщения: 463
- Зарегистрирован: Ср мар 24, 2010 22:00:59
- Модель авто: 21074, карб, БСЗ, ДХО, (2005) + Granta 2190, Норма 010, серебро, (2014)
- Тип двигателя: Карбюраторный
- Откуда: Питер
- Благодарил (а): 3 раза
- Поблагодарили: 15 раз
Re: Панель приборов 3110 Волга в семерке
а что мешает на плате перерезать дорожку и припаять перемычку с минуса?Avalein писал(а):К датчику низкого уровня тормозной жидкости - В ВАЗовской проводке сигнал с поплавка идет плюс, а в волговской нужен минус. Т.к. поплавок служит как бы выключателем в цепи плюс – лампочка, то плюсовой провод был отрезан и заизолирован, а на его место была создана цепь: минус – поплавок – лампочка.
Как это реализовать, так и не понял?
ток я просто не помню как я сделал... вроде перемычкой, чтоб провода не переделывать.
- ZidanCo
- Водила

- Сообщения: 62
- Зарегистрирован: Вс дек 30, 2012 16:54:12
- Модель авто: ВАЗ 21074, 1.6, MT5, 1993г
- Тип двигателя: Карбюраторный
- Откуда: Магнитогорск
- Благодарил (а): 11 раз
- Поблагодарили: 1 раз
Re: Панель приборов 3110 Волга в семерке
Что-то не получается у меня снять пластик (стекло ?) с корпуса панели приборов. По бокам и сверху отделил его канцелярским ножом, но внизу он тут же трескается ... как его снять не повредив ?
- Avalein
- Водила

- Сообщения: 82
- Зарегистрирован: Чт май 24, 2012 17:09:20
- Модель авто: ВАЗ-21074
- Тип двигателя: Инжекторный
- Откуда: Нижегородская область, с.Вад
- Благодарил (а): 8 раз
Re: Панель приборов 3110 Волга в семерке
Была такая идея, но эта лампа завязана диодами с другими(стоп, ручник и др), боюсь чего-нибудь не нарушить в работе приборки, перебросив полярность..parsons писал(а):а что мешает на плате перерезать дорожку и припаять перемычку с минуса?Avalein писал(а):К датчику низкого уровня тормозной жидкости - В ВАЗовской проводке сигнал с поплавка идет плюс, а в волговской нужен минус. Т.к. поплавок служит как бы выключателем в цепи плюс – лампочка, то плюсовой провод был отрезан и заизолирован, а на его место была создана цепь: минус – поплавок – лампочка.
Как это реализовать, так и не понял?
ток я просто не помню как я сделал... вроде перемычкой, чтоб провода не переделывать.
- Йожык
- Модератор

- Сообщения: 48823
- Зарегистрирован: Пн окт 03, 2011 18:00:04
- Модель авто: Honda Civic IX
- Тип двигателя: Инжекторный
- Откуда: Уфа
- Благодарил (а): 1179 раз
- Поблагодарили: 2380 раз
Re: Панель приборов 3110 Волга в семерке
Да чего ты так заморачиваешьсяAvalein писал(а):Была такая идея, но эта лампа завязана диодами с другими(стоп, ручник и др), боюсь чего-нибудь не нарушить в работе приборки, перебросив полярность..
- Avalein
- Водила

- Сообщения: 82
- Зарегистрирован: Чт май 24, 2012 17:09:20
- Модель авто: ВАЗ-21074
- Тип двигателя: Инжекторный
- Откуда: Нижегородская область, с.Вад
- Благодарил (а): 8 раз
Re: Панель приборов 3110 Волга в семерке
Да перфекционист потому чтоЙожык писал(а):Да чего ты так заморачиваешьсяAvalein писал(а):Была такая идея, но эта лампа завязана диодами с другими(стоп, ручник и др), боюсь чего-нибудь не нарушить в работе приборки, перебросив полярность..Подцепи уровень тормозухи на лампочку перегрева, или любую другую - их там навалом
Да, надо просто перебросить куда-нибудь на другую думаю)
Ну а с бачками что, никто не ставил их себе?
Кто сейчас на конференции
Сейчас этот форум просматривают: нет зарегистрированных пользователей и 24 гостя
